EasyManua.ls Logo

Samsung SCL300 - Ass’y Camera Removal

Samsung SCL300
136 pages
Print Icon
To Next Page IconTo Next Page
To Next Page IconTo Next Page
To Previous Page IconTo Previous Page
To Previous Page IconTo Previous Page
Loading...
Samsung Electronics4-10
Disassemblr and Reassembly
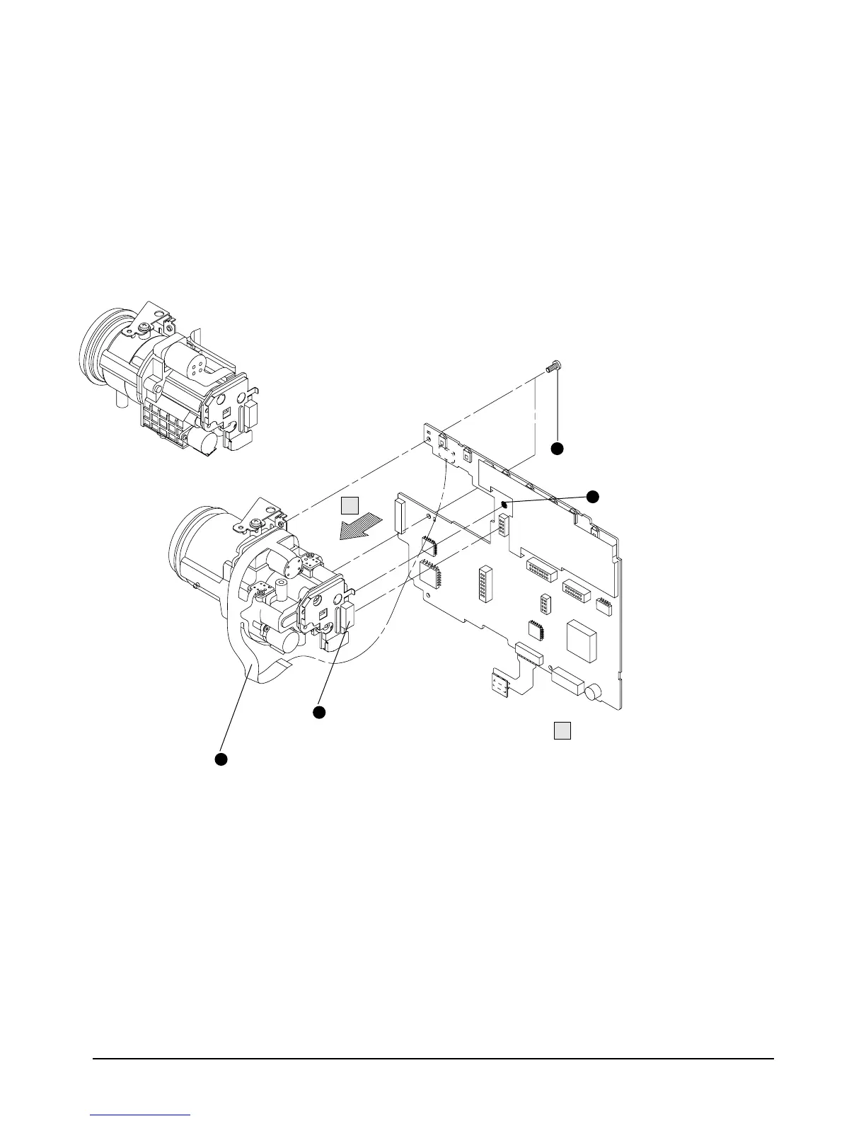
1
2
Remove 2 screws.
A
A
4
Disconnect connector and pull out the
ass'y LENS in the direction of arrow .
3
Disconnect FPC from the connector of the MAIN PCB.
Remove solder with an iron
to isolate PCB and LENS.
4-1-10 Ass’y Camera Removal
Fig. 4-10 Ass’y Camera Removal

Related product manuals