EasyManua.ls Logo

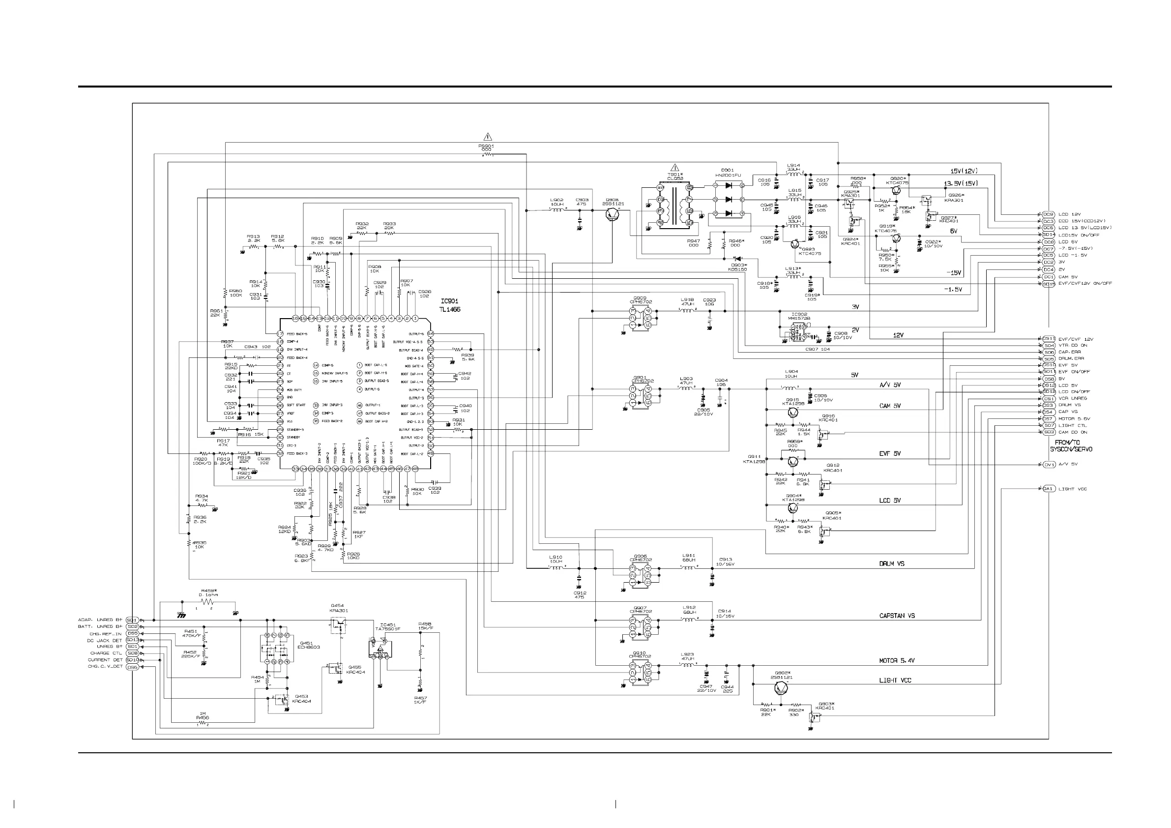
Samsung SCL810 - 4-1 DC;DC Converter (Main)

Samsung SCL810
95 pages
Print Icon
To Next Page IconTo Next Page
To Next Page IconTo Next Page
To Previous Page IconTo Previous Page
To Previous Page IconTo Previous Page
Loading...
4-2 Samsung Electronics
Schematic Diagrams
4-1 DC/DC Converter (Main)

Related product manuals