EasyManua.ls Logo

Samsung SCL810 - Page 90

Samsung SCL810
95 pages
Print Icon
To Next Page IconTo Next Page
To Next Page IconTo Next Page
To Previous Page IconTo Previous Page
To Previous Page IconTo Previous Page
Loading...
4-7Samsung Electronics
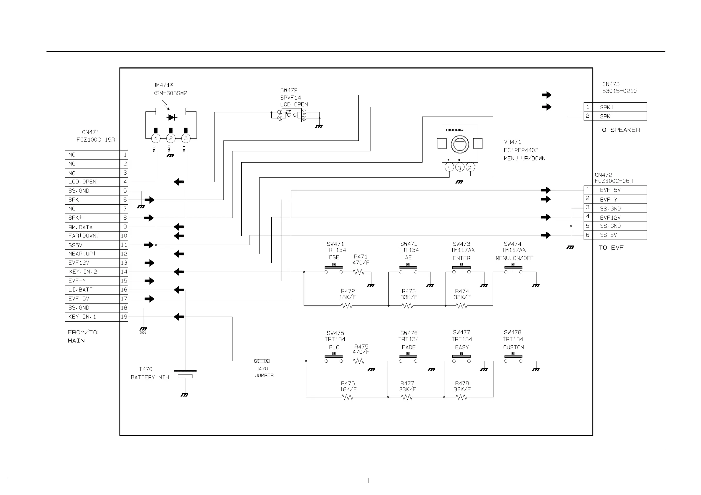
Schematic Diagrams
4-6 Function

Related product manuals