EasyManua.ls Logo

Samsung SGH-E770 - Page 16

Samsung SGH-E770
47 pages
Print Icon
To Next Page IconTo Next Page
To Next Page IconTo Next Page
To Previous Page IconTo Previous Page
To Previous Page IconTo Previous Page
Loading...
SAMSUNG Proprietary-Contents may change without notice
SGH-E770 Flow Chart of Troubleshooting
2-12
This Document can not be used without Samsung's authorization
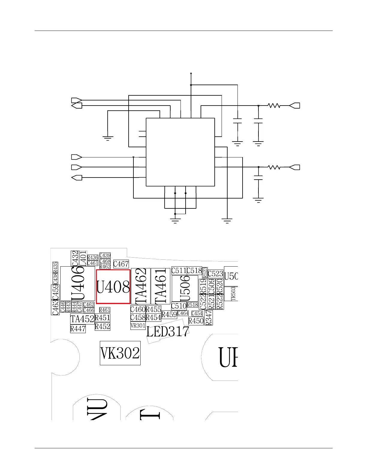
VBAT
C466
NC
NC
22
+
V
14
11
2
S
4
1316
1
D
D2
4
8
3
D
12
D4
D
N
G
6
D
N
G
17
21
2
1
S
1
15
1S2
1
3
2S1
2
S
2
5
10
3-4IN
7
1
S
3
3S2
9
4S1
U408
1-2IN
R461
C467 C468
R462
AOUTAN
AMP_R
AOUTAP
AMP_L
SP_OUT_N
SP_OUT_P
AMP_EN

Related product manuals