EasyManua.ls Logo

Samsung SGH-M310 - Page 36

Samsung SGH-M310
57 pages
Print Icon
To Next Page IconTo Next Page
To Next Page IconTo Next Page
To Previous Page IconTo Previous Page
To Previous Page IconTo Previous Page
Loading...
SAMSUNG Proprietary-Contents may change without notice
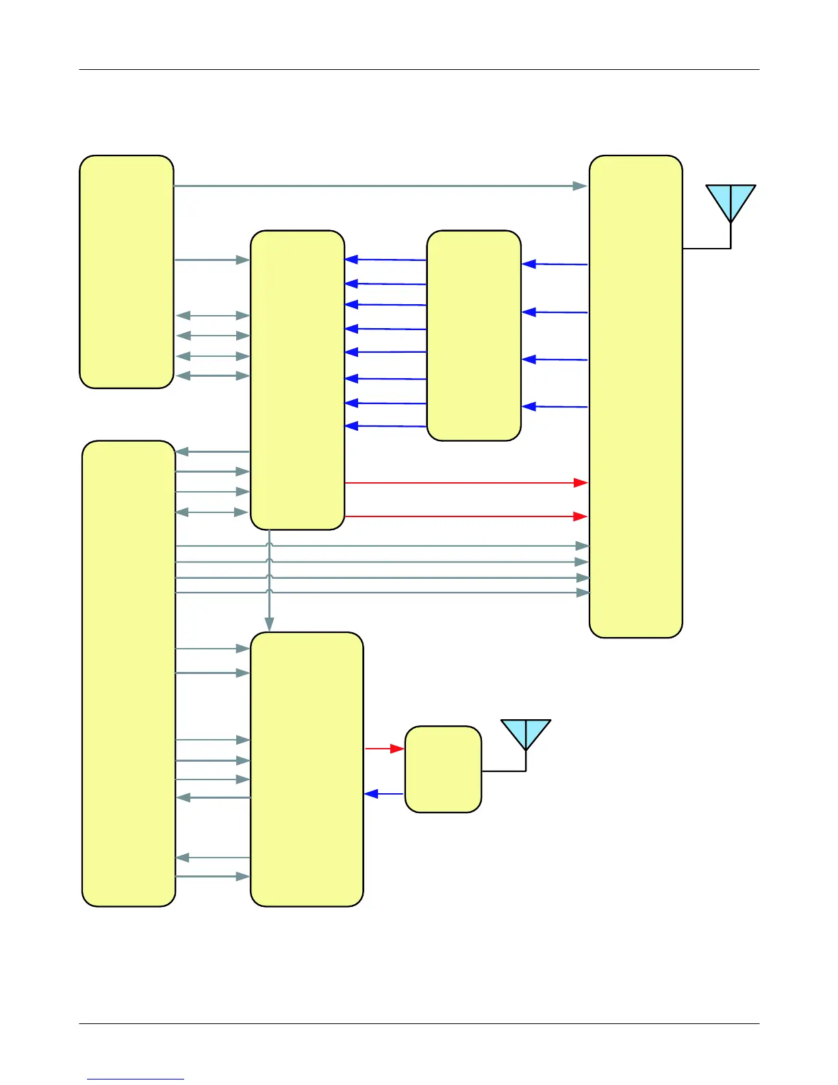
Block Diagrams
8-2
This Document can not be used without Samsung's authorization
RF block
`
TRANS
CEIVER
BLUETOOTH FILTER
PAM
SWITCH
ANT
VAPC
GSM_PAM_IN
DPCS_PAM_IN
GSM_LNA_IN_P
GSM_LNA_IN_N
DCS_LNA_IN_P
DCS_LNA_IN_N
PCS_LNA_IN_P
PCS_LNA_IN_N
AFC
26MHZ_DBB
SBCK
SBDT
RTX_I_N
RTX_I_P
RTX_Q_N
RTX_Q_P
SBLE
26M_BT
CLK_REQ_CLK
CLK_REQ_BT
BT_RXD
BT_TXD
PCM_CLK
PCM_SYNC
PCM_TXD
PCM_RXD
GSM850_IN
EGSM_IN
DCS_IN
PCS_IN
VMOD_EN
TX_EN
BAND_SEL1
BAND_SEL2
ANT
GSM850_LNA_IN_P
GSM850_LNA_IN_N

Other manuals for Samsung SGH-M310

Related product manuals