EasyManua.ls Logo

Samsung SR-S24FTA - Electric circuit diagram

Samsung SR-S24FTA
134 pages
Print Icon
To Next Page IconTo Next Page
To Next Page IconTo Next Page
To Previous Page IconTo Previous Page
To Previous Page IconTo Previous Page
Loading...
ED-RED
3LU-BLUE
IRG-ORANGE
3RN-BROWN
2>NK-PINK
3RY-GRAY
NHT-WHITE
/EL-YELLOW
3LK-BLACK
2>RP-PURPLE
NIBLK-
WHITE/BLACK
3/BLU-
3KY
BLUE
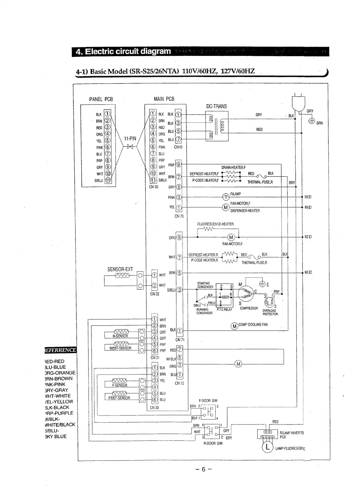
4.
Electric
circuit
diagram
4-1)
Basic
Model
(SR-S25/26NTA)
110V/60HZ,
127V/60HZ_
.
PANEL
PCB
MAIN
PCB
=
i
DC-TRANS
@
|
ek
BK
@)
a
GRY
BLK
ca
a)
Orne
Ele
|
@
@
reo
|
|
se
=
RED
g
aa
6
11-PIN
©)
ver
BLU
(7)
©
p<
©
PINK
-
CN10
@
au
(®)
pre
©
@
cry
PRP
@
DRAIN-HEATER,
@
40)
wit
aa
DEFROST-HEATER
F
RED
OD
(4)
seu
a
P-CODE
HEATER,
THERMALFUSER
on
CNS0
GRY
\
FILAMP
PINK»
RED
FAN-MOTOR,F
YELYT
.
a
4
gO)
peeretere
=
-
ee
CN
76
FLUORESCENCE-HEATER
_
ong):
(M)
RED
1
FAB-MOTORR
Wee
OnE
HEATER
a
aaa
"
THERMAL-FUSE,A
SENSOR-EXT
i
O
D)
wer
BRNIS)
RED
t
q
STARTING
t
iO}
|
2}
WHT
CONDENSER
spLui)
+
CN32
|
ae
COMPRESSOR
RUNNING-
P.T.C
RELAY
CONDENSER
eae
+)
war
46)
pen
(Mi)
COMP
COOLING
FAN
I
peat
(OHHG)
car
NG
se
On)
GAT
nT
WWY—O}
6)
PRP
ROEFSENSOR
|G
il
|)
ppp
Re
|
CN
31
W/Bu
=|
|
M
I)
ak
OF
3
(M)
BRN
BL
CONNAD:
O
YEL
:
N72
rseison__|
Oi
1@)
WWW
(Oh
BLU
FIDEFSENSOR
IG
iy
gy
Seana
}
CN
230
BRN
:
5
LP
3
BLKi
z
4
RED
BRN
4
1
WHT
GRY
TS}
RAMP
INVERTE
3 2
GRY
PCB
R-DOOR
SW
LAMP-FLUORESCEN:
GRN

Other manuals for Samsung SR-S24FTA

Related product manuals