EasyManua.ls Logo

Samsung SyncMaster 150MP - Page 43

Samsung SyncMaster 150MP
53 pages
Print Icon
To Next Page IconTo Next Page
To Next Page IconTo Next Page
To Previous Page IconTo Previous Page
To Previous Page IconTo Previous Page
Loading...
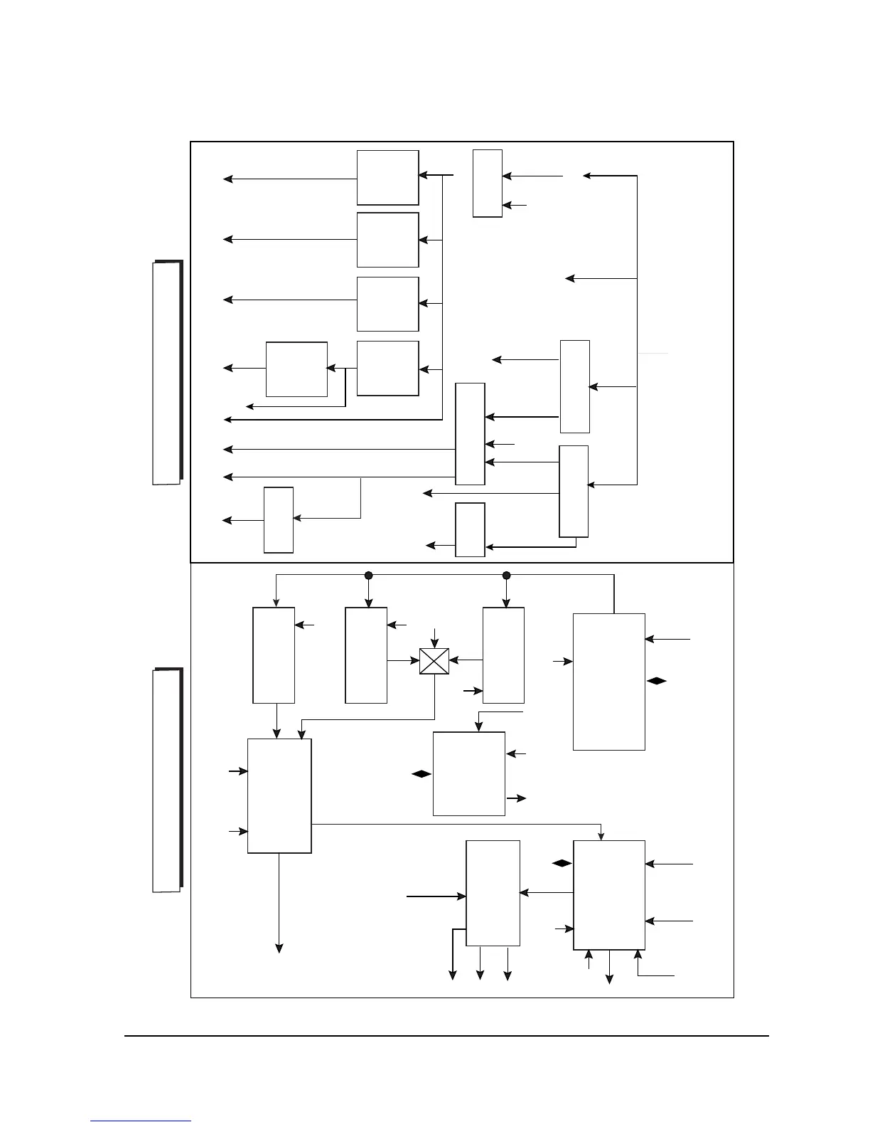
8 Block Diagrams
8-2 SyncMaster 150MP
IF Demodulator
(TDA9810)
BAO33FP
Audio Amp.
(TDA7268)
I/O Expander
(TDA8444T)
Tuner
(TECC9092PD27A[S]
SAW Filter, SIF
(K9652M)
SAW Filter, SIF
(K9650M)
SI4435DY
BA05FP
-E2
LM317S
S19933ADY-T1
LM2676SX-3.3 12V_TUNER
TO INVERTER
12V_INVERTER
LM2676SX-5.0
SAW Filter, PIF
(K7257M)
Sound Processor
(MSP3410, 3440)
9V
9V
8V
Line-Out
12V_CAP
VTR/DVD
Camcoder
TV(RF)PC
Ain1
Ain2
5V
5V
5V
8V 5V 5V_A
3.3V_A
5V_D 3.3V_D
9V
9V
3.3AV
12V
2.5V
5V_IN
5V_IN
PIF
SW
SW
SW
12V_CAP
5V_TUNER12V_CAP
SW
SIF
B/G, I, D/K, L : L’
M/N : B/G, I, D/K, L/L’
RF_CVBS
5V_TUNER
5V_TUNER
SW
SW
SW
M/N
IF
12V_CAP
Spk_R
Spk_L
1
2
C
1
2
C
1
2
C
BA 178
M09FP
BA 178
M08FP
BA05FP
-E2
BA05FP
-E2
Block-Diagram (TUNER) Block-Diagram (POWER)
QSS
RF
Head-Phone

Other manuals for Samsung SyncMaster 150MP

Related product manuals