EasyManua.ls Logo

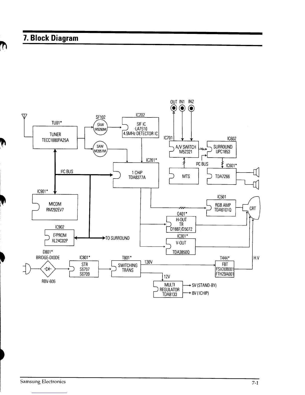
Samsung TXE2045 - 7. Block Diagram

Samsung TXE2045
78 pages
Print Icon
To Next Page IconTo Next Page
To Next Page IconTo Next Page
To Previous Page IconTo Previous Page
To Previous Page IconTo Previous Page
Loading...

Related product manuals