EasyManua.ls Logo

Samsung UA40D6400 - Wiring Diagrams; Wiring Diagram (Model Specific)

Samsung UA40D6400
94 pages
Print Icon
To Next Page IconTo Next Page
To Next Page IconTo Next Page
To Previous Page IconTo Previous Page
To Previous Page IconTo Previous Page
Loading...
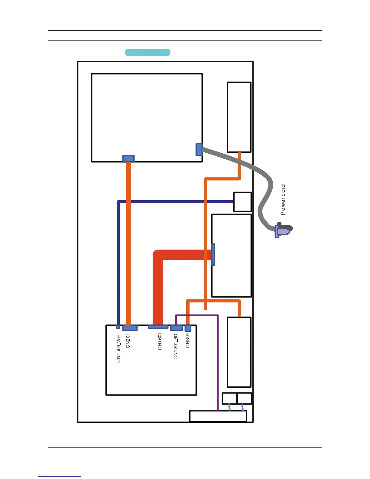
5. Wiring Diagram
5-1. Wiring Diagram
For 40"
Main Board
T-CON
SMPS
SPEAKER SPEAKER
Wi-
Fi
F
u
n
c
t
i
o
n
juX\W[~pm
juYWX
juX]WX
juXYWXZk
juZWX
w G 
B
T
I
R
5-1
5. Wiring Diagram

Related product manuals