EasyManua.ls Logo

Sansui A-X950 - Page 12

Sansui A-X950
24 pages
Print Icon
To Next Page IconTo Next Page
To Next Page IconTo Next Page
To Previous Page IconTo Previous Page
To Previous Page IconTo Previous Page
Loading...
A-X950
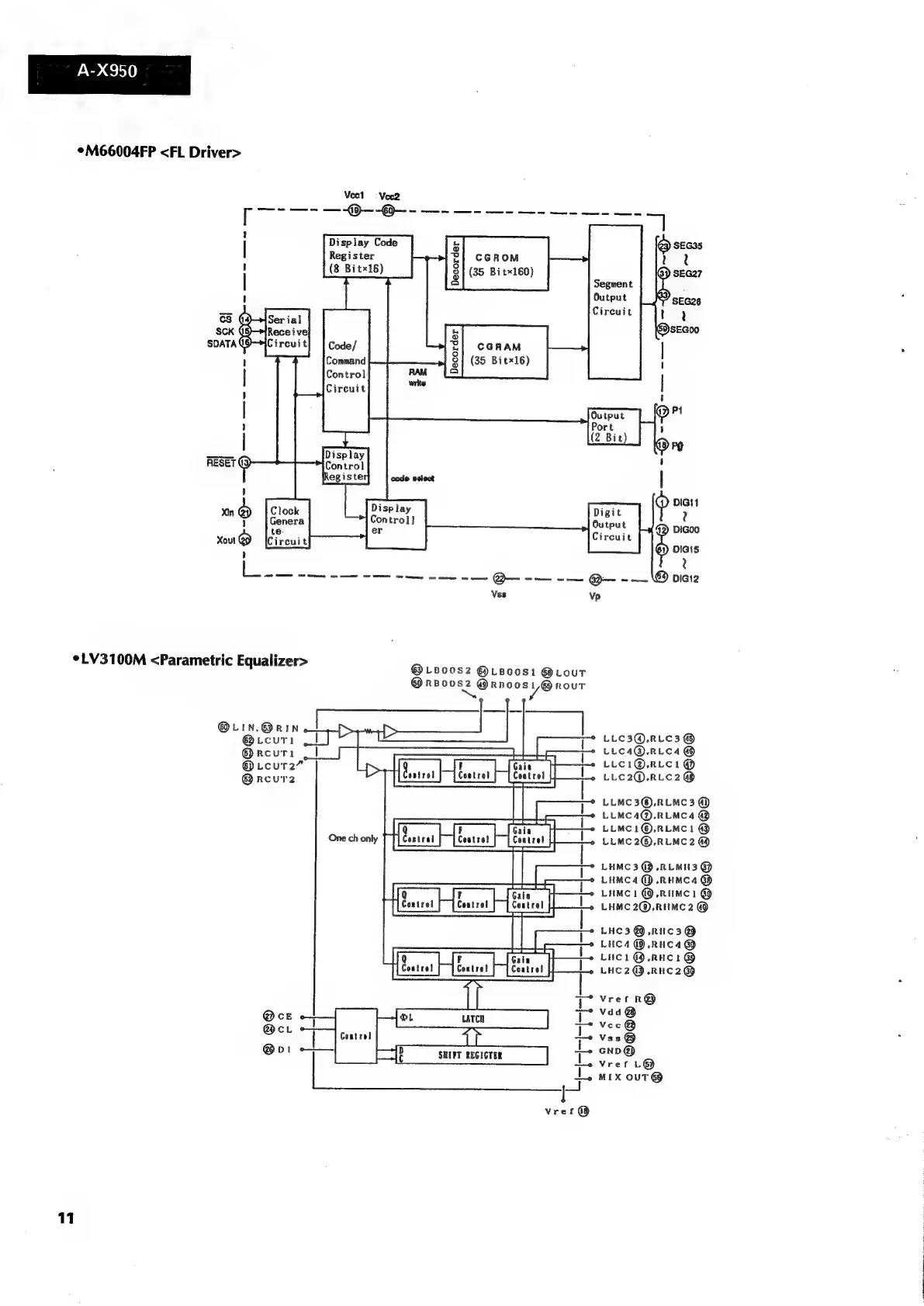
¢M66004FP
<FL
Driver>
Vecl
=
Vec2
[See
eee
Display
Code
9
secs
Register
CGROM
2
(8
Bitx16)
(35
Bitx160)
SEG27
CGRAM
(35
Bitx16)
°LV3100M
<Parametric
Equalizer>
@L00082
@ie00s1
@rour
@RBo0S2
@rnoosi
@
rout
LIN.
@RIN
«
®
oc.
LLO3@,RLO3@
@rcuri
|
e
LLCAG@),RLC4
@
@vLcutr2”
eal
|
|
[Gain
1}
LLc1@,RLco1@
@revr2
I
|
centred
0
LLC2Q@),RLCO2@
LLMC3@,RLMC3
@
LLMC4@,RLMC4
@
©
LLMC1@,RLMC1
@
One
ch
only
eo
LLMC2G),RLMC2
@
LHMC
3
@
.RLMN3
@
LumMc4
@,.RHMC4
@
LHMC1
@,RUMC1
@
o
LHMC2@),RIMC2
@
©
LHC3
@
RUCI@
Lica
@
Ruca@
Lic1
@
ric:
@
LHC2@,RuC2@
Vref
R@®
Vdd
@
vec
®@
@p
——-
GND@
}—
-
Vref
L@
|
a
MIX
OUT@
11

Related product manuals