EasyManua.ls Logo

Sansui A-X950 - Page 18

Sansui A-X950
24 pages
Print Icon
To Next Page IconTo Next Page
To Next Page IconTo Next Page
To Previous Page IconTo Previous Page
To Previous Page IconTo Previous Page
Loading...
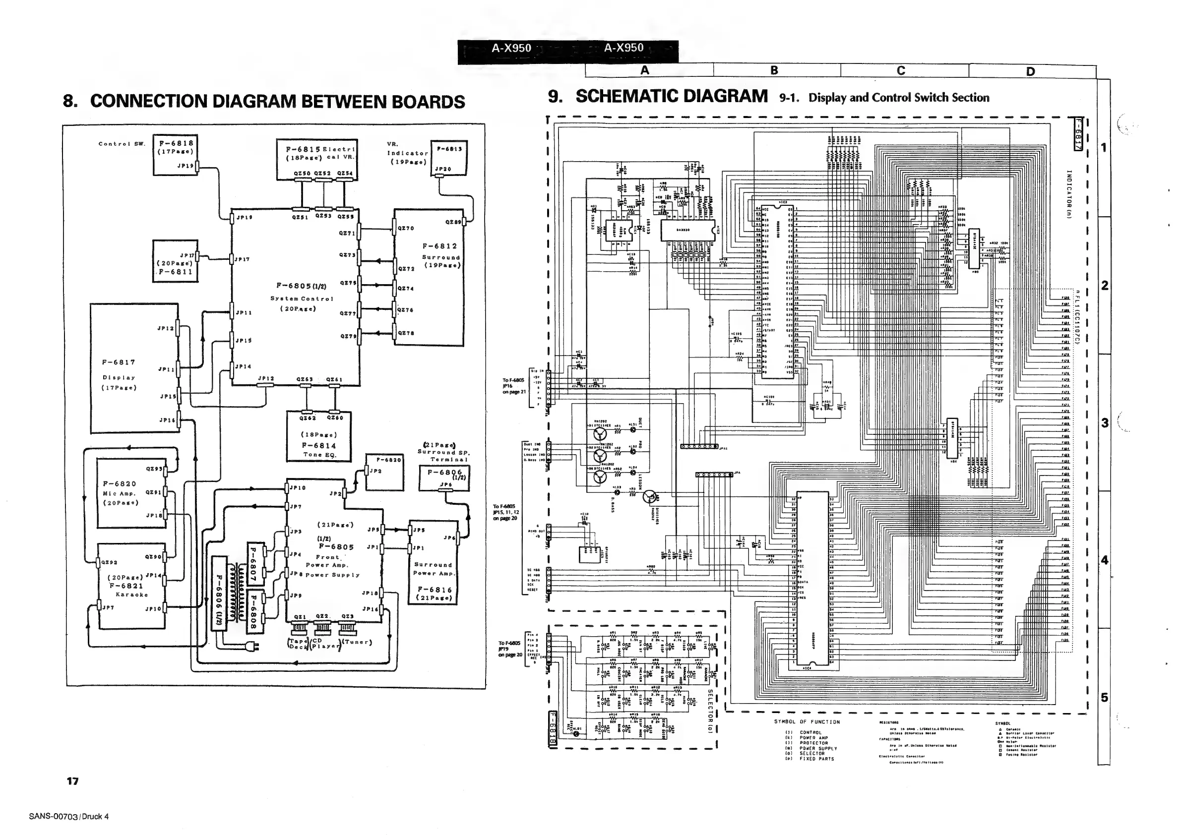
8.
CONNECTION
DIAGRAM
BETWEEN
BOARDS
9.
SCHEMATIC
DIAGRAM
9-1.
Display
and
Control
Switch
Section
Control
SW.
F-6818
poe
ane
Gea
VR.
eeeus
17Page
=
SCE
E
TP
8:
(
)
(18Page)
on
UR:
Indicator
(19Page)
JIP20
Cc
(U)
MOLVOTONI
KE
Th
Hae
HEL
;
Sa
i
MEDEURUOUDSOGUEOLGUOEOGUL0
|
an
|
CTT
[Ereeieeeremeenreta)
«fe
i
TTT]
CITT
TTT
BRUADSRDTOADGAUODOEAORUONOONAOOEOUOLY
Te
HTAOUOABRTSHEOOUEADEAUT
i
AUOUNUAASEATDUSEOOAOUNTEN
i
oe
om
12]
2
1
2
F-6812
spi]
|
Surround
(20Page)
(19Page)
-F-6811
SSS
BEBE
Co
COO
BEBE
F-6805
(1/2)
System
Control
(20Page)
"92008991
FIs
0
F-6817
Display
QZ63
=
Qz61
(17Page)
Qz62
9260
7
(18Page)
F-68114
@1Page)
Duet
THO
i
Pro
IND
Tone
EQ.
Surround
sp,
Lesson
140
F-6820
Terminal
0.8000
1m
toy
[|sP2
F-68906
=
trey
F-6820
3P6
|
Mic
Amp.
a
|
(20Page)
2
WB
OTCIIGES
nagz
"LOE
re
mo
iit
[
re
GUE
as
i
Lt
itt
Hefce
ssva'a
To
F-6805
JP15,
11,12
on
page
20
2ozeny
stevie
(21Page)
(1/2)
F-6805
Front
Power
Amp.
Surround
spe
Power
Supply
Power
Amp.
tory
2otoe soroe
TH
E
niasnted
:
(20Page)
%P14
F-6821
Karaoke
F-6816
(21Page)
(2/1)
9089-4
daveosew
on
page
20
|
erF8e"
yal
6
—_
ei
we
SYMBOL
OF
FUNCTION
RESISTORS
SYMBOL
Are
1h
ones
.
1/S¥atts.¢
SBTolerence,
&
Corease
(9)
CONTROL
Unless
Otherwise
wotea
&
Borrser
Laver
Copeciter
{k)
POWER
AMP
capaciions
or
O1-Porer
Electroivtie
tyler
a)
PROTECTOR
Are
In
uF,
Unless
Otherwise
Noted
fa}
ieacinibavesbio
Mosister
(nm)
POWER
SUPPLY
oer
D
Conont
aesister
(o)
SELECTOR
@
Fusine
mesister
(p)
FIXED
PARTS
Eloctretvtic
Covacitor
Covacitence
(uF)
/Veltoge(v)
17
SANS-00703
|
Druck
4

Related product manuals