EasyManua.ls Logo

Sansui HDLCDVD195 - Page 34

Sansui HDLCDVD195
38 pages
Print Icon
To Next Page IconTo Next Page
To Next Page IconTo Next Page
To Previous Page IconTo Previous Page
To Previous Page IconTo Previous Page
Loading...
34
Connections to other equipment (continued)
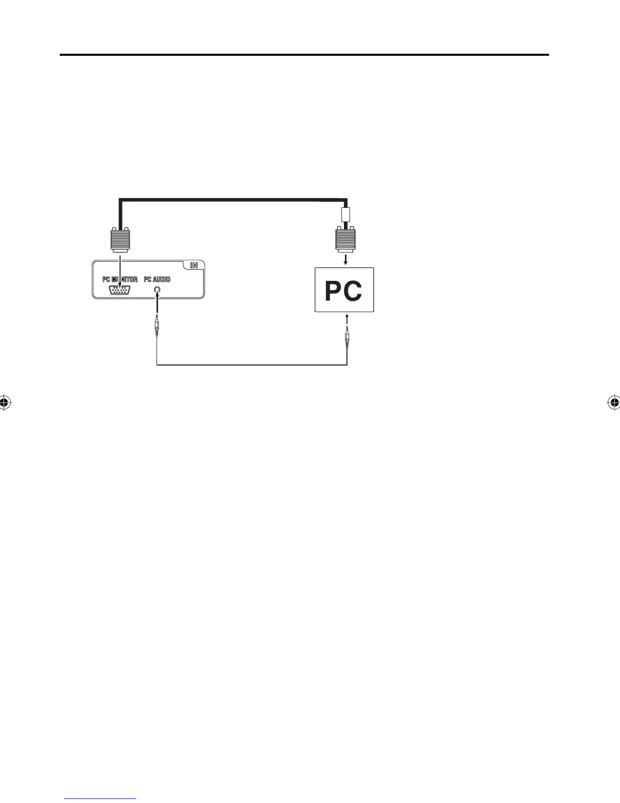
VGA cable (not supplied)
To connect the TV/DVD to a PC (Personal Computer)
Before you connect this TV/DVD to your PC, change the adjustment of your PC’s Resolution and Refresh rate
(60 Hz).
Connect one end of a (male to male) VGA cable to the video card of the computer and the other end to the
VGA
connector PC MONITOR on the rear of the
TV/DVD
. Attach the connectors firmly with the screws on the plug.
In
case of a Multimedia computer, connect the audio cord to the audio output of your Multimedia computer and to
the AUDIO connector of the PC AUDIO IN jack of the TV/DVD.
Press INPUT SELECT on the remote control to select PC mode.
Switch on the computer. The TV/DVD can operate as the computer monitor.
Monitor Display modes
MODE Resolution Refresh rate
VGA 640x480 60/ 72/ 75 Hz
VGA 720x400 70Hz
SVGA 800x600 56/ 60/ 72/ 75 Hz
XGA 1024x768 60/ 70/ 75 Hz
WXGA 1280x768 60Hz
WXGA 1280x720 60Hz
WXGA 1360x768 60Hz
To return to normal mode
Press INPUT SELECT again.
To PC
AUDIO IN
NOTE:
The on-screen displays will have a different appearance in PC mode than in TV mode.
If there is no video signal from the PC when the unit is in PC mode, “No signal” will appear on the TV-screen.
Rear of the unit
Audio cord (not supplied)
To PC MONITOR IN
52C0121A_eng.indd 3452C0121A_eng.indd 34 12/26/08 11:27:16 AM12/26/08 11:27:16 AM

Related product manuals