EasyManua.ls Logo

Sansui HDLCDVD265 - Connections to Other Equipment

Sansui HDLCDVD265
45 pages
Print Icon
To Next Page IconTo Next Page
To Next Page IconTo Next Page
To Previous Page IconTo Previous Page
To Previous Page IconTo Previous Page
Loading...
37
ENGLISH
Y
P
B
PR
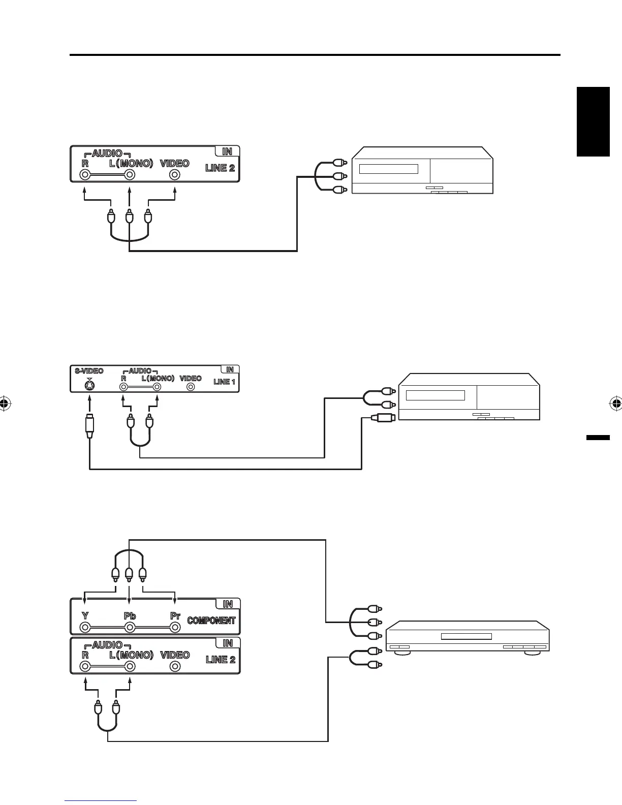
To connect the LCD TV/DVD to a VCR with an S-Video cord
If you connect a VCR with a S-Video cable to the S-VIDEO IN jack on the rear side of the unit, you must also
connect the audio cables to the AUDIO IN jacks on the rear side of the unit.
The S-Video cable only carries the video signal. The audio signal is separate.
NOTE:
When the S-Video cable and the standard video cable are connected at the same time, the S-Video cable
takes precedence.
The exact arrangement you use to interconnect various video and audio components to this unit is dependent
on the model and features of each component. Check the Owner’s Manual provided with each component for
the location of video and audio inputs and outputs.
To connect the LCD TV/DVD to a VCR
Connections to other equipment
To connect to a DVD player with Component Video Input
You can enjoy a high quality picture by connecting the unit’s COMPONENT VIDEO OUT jacks of your DVD
player with the COMPONENT video cables (not supplied).
Rear of the unit
To Audio/Video OUT
Audio/Video cord (not supplied)
To VIDEO/AUDIO IN
To S-Video OUT
To Audio OUT
Audio cord (not supplied)
S-Video cord (not supplied)
To
S-VIDEO
IN
To AUDIO IN
Rear of the unit
To Component OUT
Audio cord (not supplied)
Component video cord (not supplied)
To LINE 2 AUDIO IN
Rear of the unit
To COMPONENT IN
To Audio OUT
NOTE:
Component Video input of the unit are for use with a device which output 480i/1080i interlaced signals and
480p/720p progressive signals.
VCR
VCR
DVD
52K0221A_eng.indd 3752K0221A_eng.indd 37 12/15/08 7:00:57 PM12/15/08 7:00:57 PM

Table of Contents

Other manuals for Sansui HDLCDVD265

Related product manuals