EasyManua.ls Logo

Sansui SLEDVD198 - Page 72

Sansui SLEDVD198
80 pages
Print Icon
To Next Page IconTo Next Page
To Next Page IconTo Next Page
To Previous Page IconTo Previous Page
To Previous Page IconTo Previous Page
Loading...
34
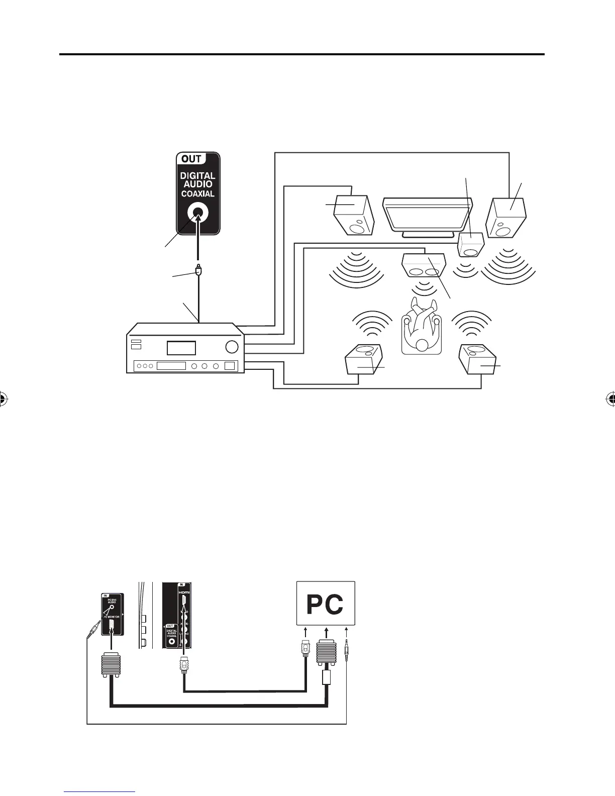
Raccordement à un autre appareil (suite)
Utilisation d’un amplificateur AV à son ambiophonique numérique intégré
Si vous utilisez un amplificateur à son ambiophonique numérique intégré, vous pouvez profiter de divers
formats audio, notamment le Dolby numérique ambiophonique (Dolby Digital Surround), qui vous donne
exactement le même son qu’au cinéma.
Raccordez un amplificateur AV intégrant un décodeur Dolby numérique (Dolby Digital), etc., comme
dans l’illustration ci-dessous.
Câble coaxial numérique
(non compris)
Amplificateur AV à décodeur ambiophonique
numérique intégré (voir ci-dessus)
Enceinte centrale
Sortie audio numérique coaxiale
Vers l’entrée numérique coaxiale
Gauche de l’appareil
HP avant
(G)
HP avant
(D)
Extrêmes
graves
HP ambiopho-
nique (G)
HP ambio-
phonique
(D)
TV
REMARQUE:
Lors du visionnement d’émissions numériques, il n’y aura pas de fonctionnement en conjugaison avec le son
DTS ou MPEG. Aucun son n’est émis si un amplificateur AV avec décodeur DTS ou MPEG intégré est connecté.
REMARQUE:
L’affichage apparaît différemment en mode PC qu’en mode TV.
S’il n’y a pas de signal vidéo en provenance du PC lorsque l’appareil est en mode PC, « No signal » s’affiche
à l’écran du téléviseur.
Raccordement du téléviseur à un PC (ordinateur personnel)
Avant de connecter le présent téléviseur à votre PC, ajustez la résolution et le taux de
rafraîchissement de votre PC (60 Hz).
Raccordez un bout de câble VGA (mâle-mâle) à la carte vidéo de l’ordinateur et l’autre bout au connecteur VGA
PC MONITOR situé à l’endos du côté arrière de téléviseur. Fixez solidement les connecteurs avec les vis de la
fiche. Si vous possédez un ordinateur multimédia, branchez le câble audio à la sortie audio de votre ordinateur
multimédia et au connecteur AUDIO des prise PC/DVI AUDIO IN sur le téléviseur. Vous pouvez aussi raccorder
le PC avec un câble HDMI. Si vous utilisez un câble HDMI, vous n’avez pas à raccorder le câble audio. Si vous
utilisez un câble DVI-DVI, veuillez brancher le câble audio de la même façon que le câble VGA.
Appuyez sur INPUT SELECT sur la télécommande pour sélectionner le mode PC.
Allumez l’ordinateur. Le téléviseur peut être employé comme moniteur d’ordinateur.
Modes d’affichage du moniteur
MODE Résolution Taux de rafraî-
chissement
VGA 640x480 60/72/75Hz
VGA 720x400 70 Hz
SVGA 800x600 56/60/72/75Hz
XGA 1024x768 60/70/75Hz
WXGA 1280x768 60 Hz
WXGA 1280x720 60 Hz
WXGA 1360x768 60 Hz
Pour rétablir le mode normal
Appuyez de nouveau sur INPUT
SELECT.
Arrière de l’appareil
Câble VGA (non compris)
Câble HDMI
(non compris)
Câble Audio (non compris)
Vers l’entrée HDMI
Vers
l’entrée
PC/DVI
AUDIO
Vers
l’entrée PC
MONITOR
55D0121A.indb 3455D0121A.indb 34 7/7/10 9:15:46 AM7/7/10 9:15:46 AM

Table of Contents

Other manuals for Sansui SLEDVD198

Related product manuals