EasyManua.ls Logo

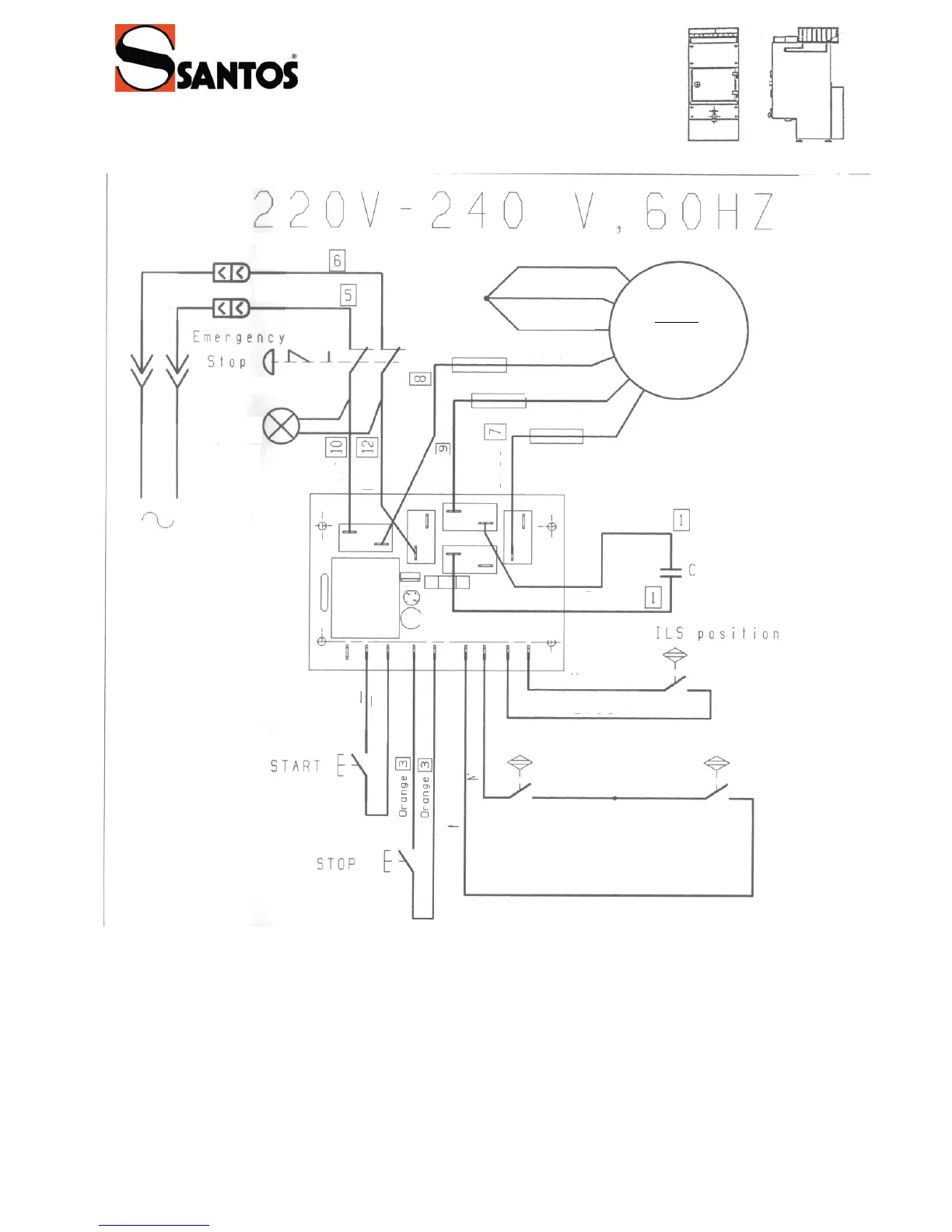
Santos 32 - Wiring Diagram (220 V-240 V, 60 Hz Alternate)

Santos 32
39 pages
Print Icon
To Next Page IconTo Next Page
To Next Page IconTo Next Page
To Previous Page IconTo Previous Page
To Previous Page IconTo Previous Page
Loading...
Edition du 04-2005 Page 38
MOTO
R
White
White
White
Red light
Black
Brown
Black
Brown
Black
White
Black
Blue
Bleu
Brown
Blue
Brown
Brown
Purple
Purple
Electronic Module
ILS SECURITIES
Blue
Black
Y
ellow
Red
Brown
Capacito
r

Other manuals for Santos 32

Related product manuals