EasyManua.ls Logo

Sanyo 28DN1 - Page 3

Sanyo 28DN1
40 pages
Print Icon
To Next Page IconTo Next Page
To Next Page IconTo Next Page
To Previous Page IconTo Previous Page
To Previous Page IconTo Previous Page
Loading...
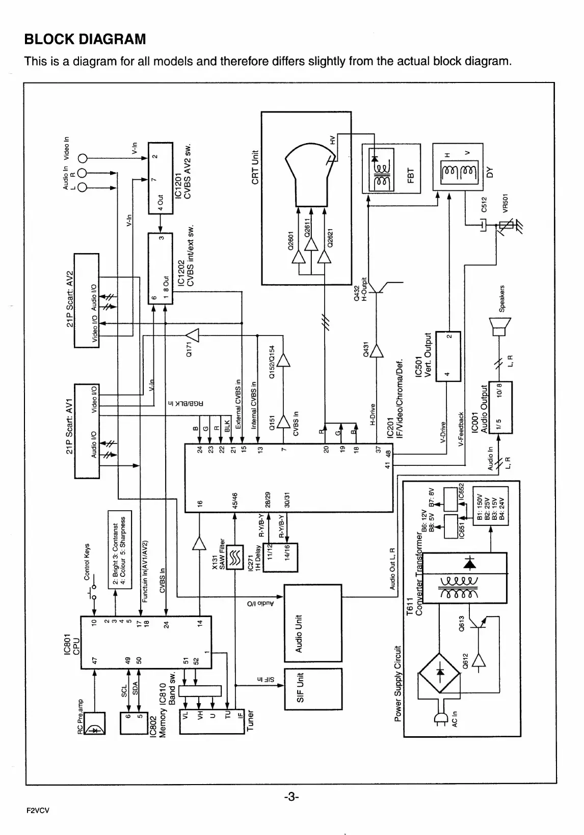
BLOCK
DIAGRAM
This
is
a
diagram
for
all
models
and
therefore
differs
slightly
from
the
actual
block
diagram.
q
KosuA
NY
wun)
LHO
"MS
ZAV
SEAD
bOctOl
OO
yu
7
U]
OB@PIA
Uy
OIpny
\
h
/
siayeads
Ba
indino
oipny
LOOO!
yoeqpesss-A
}]
Ey
BANC
INdINO
“eA
udinOo-H
ZEPO
"MS
IX@AU!
SAAD
ZOZLOI
NOs
|
O/
olpny
O/f
OBPIA
q
CAV
-HEDS
die
LOSO!
"yeq/ewo1y/O@piA/s
L0zol
@AuG-H
LAV
-HE9S
dlc
Ave
‘va
AS}
:€@
AS¢
:2a
AOS}
‘ta
YW
‘73NO
olpny
LE/Oe
OL/pl
A-G/A-d
62/82
b/Lb
A-G/A-Y
Kejaq
HL
t£Z91
O/|
olpny
JOU MVS
LELX
(ZAW/LAW)Ul
uInjouns
ssoudseys
:G
snojoD
:v
ysueUOD
]YBug
:z
—O
O
shay
jou0og
7
T
WNosIg
Ajddng
semod
wu)
Olpny
yun
SIS
dl
NL
nm
HA
a
"MS
pueg
OL80]
Aiowayy
Z080!1
dwe'daid
OH
F2VCV

Related product manuals