EasyManua.ls Logo

Sanyo DC-TS960WL - Page 7

Sanyo DC-TS960WL
72 pages
Print Icon
To Next Page IconTo Next Page
To Next Page IconTo Next Page
To Previous Page IconTo Previous Page
To Previous Page IconTo Previous Page
Loading...
- 6 -
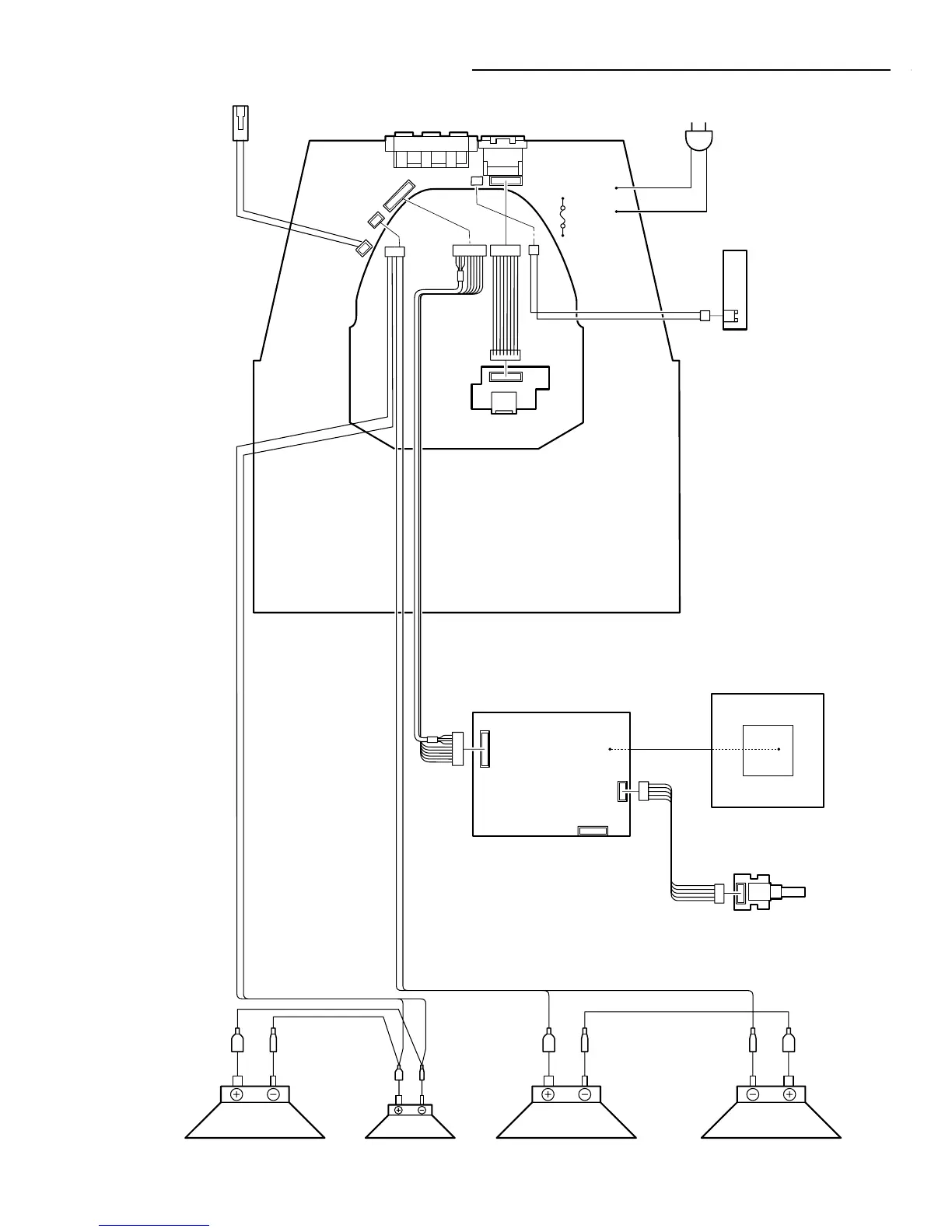
WIRING CONNECTION(Speaker Front)
AC IN
WR400
WR401
SPEAKERS/LED
OUT
CN402
SYSTEM
IN
CN401
CN406
(4P)
CN400
(9P)
CN252
(9P)
CN251
(8P)
CN253
(5P)
CN291
(5P)
CN405
(8P)
CN501
(8P)
CN500
CN404
(2P)
CN300
(2P)
F4600
125V 4A
T2A L250V
WIRELESS P.W.B
ANT2 P.W.B
SWITCH
P.W.B
MAIN P.W.B
LED
P.W.B
SOCKET
P.W.B
CN407
(2P)
This is a basic wiring connection.