EasyManua.ls Logo

Sanyo DC-TS960WL - Page 8

Sanyo DC-TS960WL
72 pages
Print Icon
To Next Page IconTo Next Page
To Next Page IconTo Next Page
To Previous Page IconTo Previous Page
To Previous Page IconTo Previous Page
Loading...
- 7 -
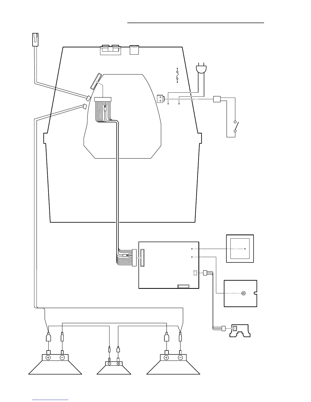
WIRING CONNECTION(Speaker Rear)
CN400
(12P)
WR
402
WR
401
CN262
(12P)
CN261
(8P)
CN295
(3P)
CN263
(3P)
CN402
F4600
T1A L250V
CN403
CN404
(2P)
SPEAKERS
IN
R-CH L-CH
REAR
IN
WIRELESS RECEIVER P.W.B
ANT2 P.W.B
AMP P.W.B
ANT3 P.W.B
AC IN
POWER
SWITCH
ANT3
ANT2
LED P.W.B
CN405
(2P)
CN406
(2P)
This is a basic wiring connection.