EasyManua.ls Logo

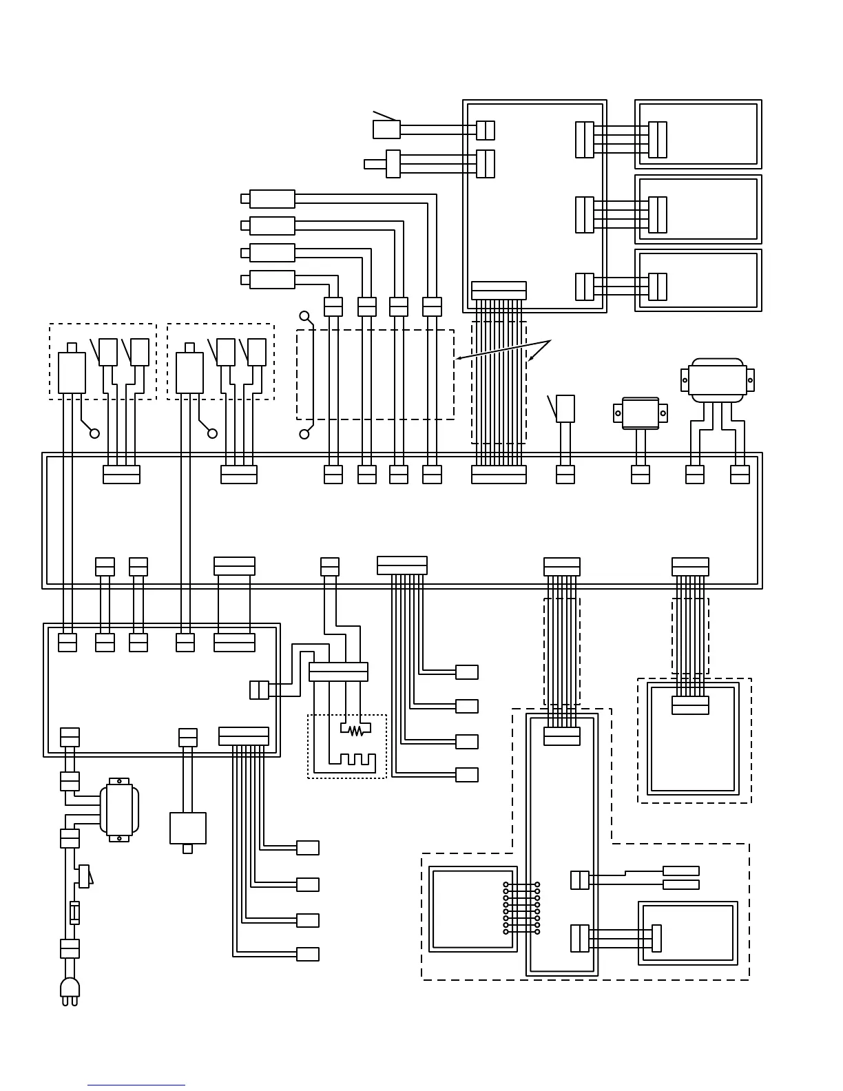
Sanyo HEC-DR5000 - Low Voltage Wiring Diagram

Sanyo HEC-DR5000
30 pages
To Next Page IconTo Next Page
To Next Page IconTo Next Page
To Previous Page IconTo Previous Page
To Previous Page IconTo Previous Page
Loading...
-
4
-
CN1
CN2
CN5 CN6 CN27
CN7 CN28 CN20
CN25
CN4
CN3
CN14
CN24
CN12CN23
CN906
CN921
CN905
CN902
CN904
CN903
CN911
CN16 CN13
CN703
CN1
CN19
CN8 CN9 CN10 CN11
CN22
CNA701
CNB701
CNA791
CN702
CN701
CN21
CN901
CN931
CN17
CN18CN15
Air Pump
Power Switch
AC
Fuse
(250V 4A)
Reclining Motor(Foot Rest)
Motor
Reclining Motor (Back Rest)
Reactor
Limit SW(UPPER)
(Elevation)
Transformer
Transformer
Printed board
(Massage Pulse)
Printed board
(Elevation Pulse)
Printed board
(Strength Pulse)
Printed board
(Tapping Pulse)
Main Harness
Volume Rotary
(Pressure)
Limit Switch(UPPER)
(Strength)
Motor(Elevation)
Perspiration Sensor
Printed board
(Pulse Sensor)
(Sensor)
(Remote Control)
Printed board
(Sensor Control)
Printed board
(Sensor Operation)
Printed board
(Remote Control)
Printed board(Main)
Heater(Sole)
Thermistor
Printed board(Power)
Motor(Strength)
Motor(Massage)
Motor(Tapping)
Valve (No.8)
Valve (No.7)
Valve (No.6)
Valve (No.5)
Valve (No.4)
Valve (No.3)
Valve (No.2)
Valve (No.1)
Switch
Motor
Switch
Wiring Diagram (for LOW voltage)
HEC-DR5000
(GENERAL)

Related product manuals