EasyManua.ls Logo

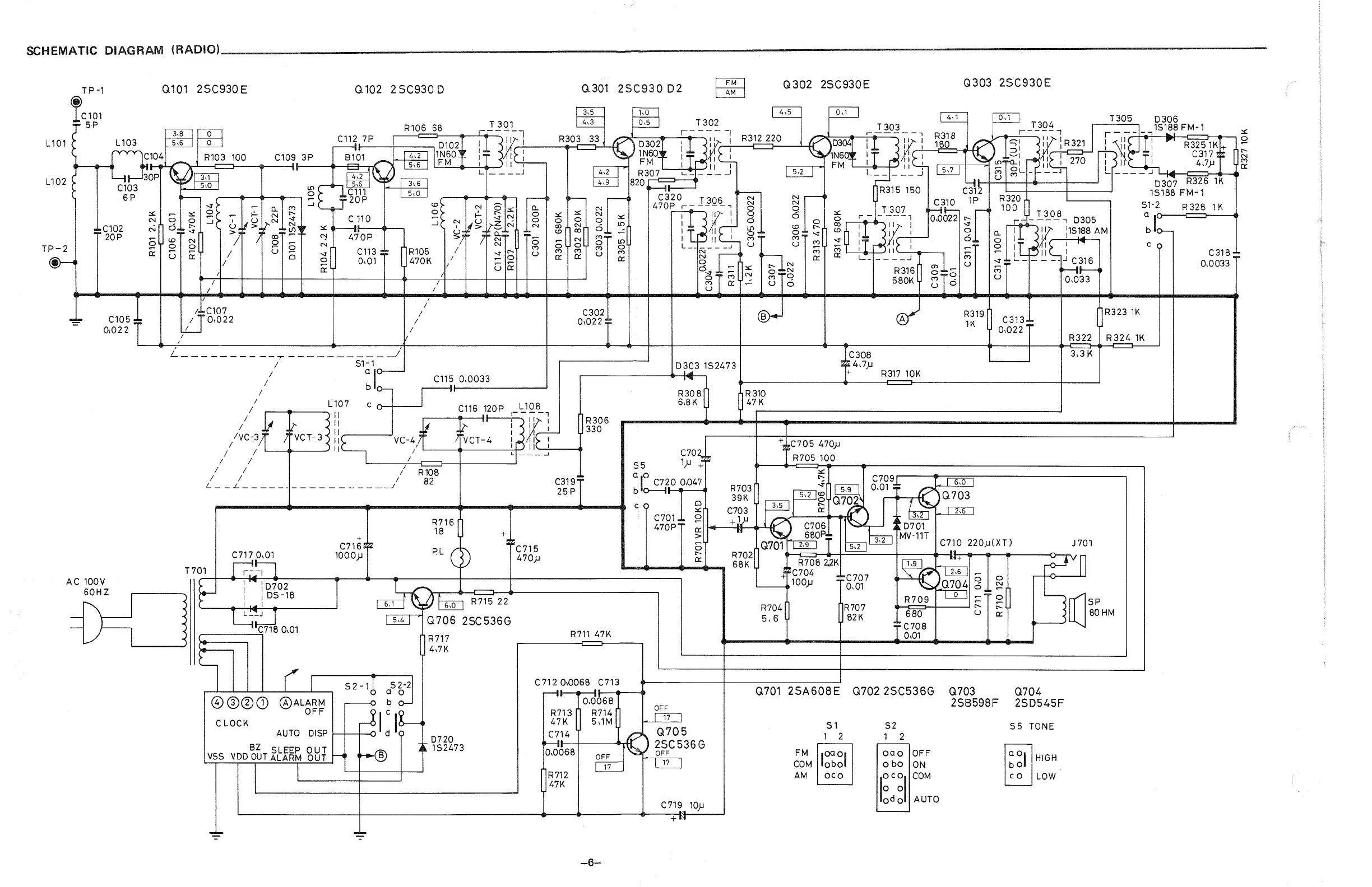
Sanyo RM 5900 - Radio Schematic Diagram

Sanyo RM 5900
8 pages
Print Icon
To Next Page IconTo Next Page
To Next Page IconTo Next Page
To Previous Page IconTo Previous Page
To Previous Page IconTo Previous Page
Loading...

Related product manuals