EasyManua.ls Logo

Sanyo RM5008 - Schematic Diagram (L;Europe)

Sanyo RM5008
10 pages
Print Icon
To Next Page IconTo Next Page
To Next Page IconTo Next Page
To Previous Page IconTo Previous Page
To Previous Page IconTo Previous Page
Loading...
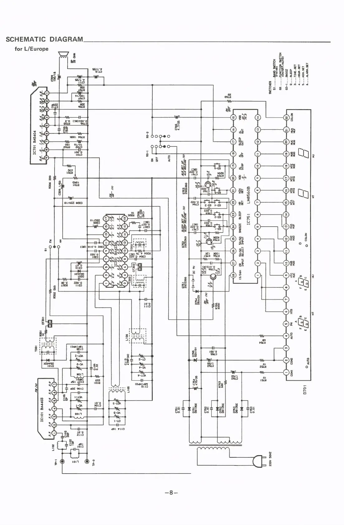
SCHEMATIC
DIAGRAM
for
L/Europe
4020
ZHOS
AQZZ
33
lo"
£949
(OLNW/.330/NO)
HOLIAS
NOTLONN
A
ZAE
HOLIAS
GN’
gogsen1
135 135
ANGNI
193735
INdNI
NIW
aH
d33%
3Z00NG
09/05
09/05
WwW
Hre/zs
(W)
doy
soi
nn
£119
;
a
a
iz
soit
i
@
vorsvd
10491

Related product manuals