EasyManua.ls Logo

Sanyo VCC-9684VA - Page 5

Sanyo VCC-9684VA
39 pages
To Next Page IconTo Next Page
To Next Page IconTo Next Page
To Previous Page IconTo Previous Page
To Previous Page IconTo Previous Page
Loading...
- 5 -
1
2
3
4
7
6
5
8
10
9
11
12
13
13
16
18
17
14
15
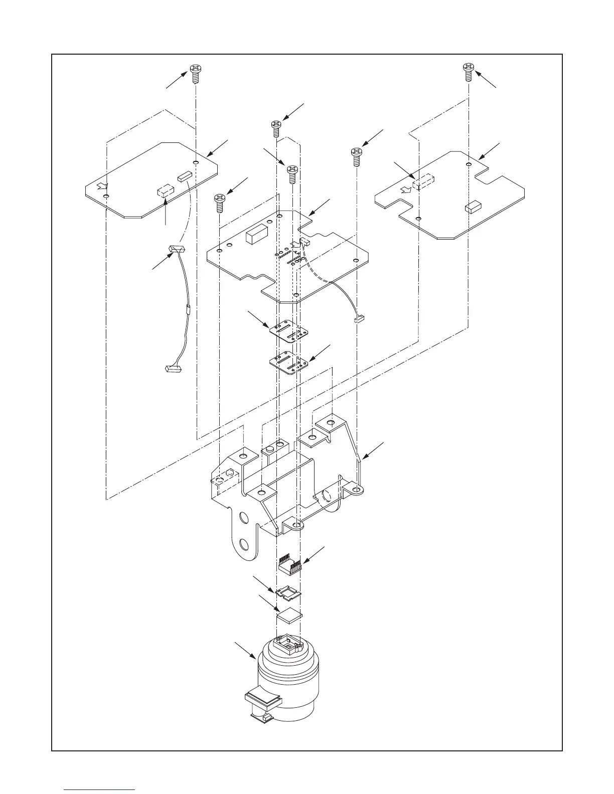
1. Wssy wire (W4003) CN304
2. Two screws 2 x 4
3. CA-3 board
4. Connector CN302-CN203
5. Two screws 2 x 4
6. CA-2 board
7. Connector CN201-CN102
8. Two screws 2 x 6
9. CCD
10. Spacer CCD
11. Optical filter
12. Lens (assy)
13. Four screws 2 x 4
14. Shassis PWB
15. Screw 2 x 4
16. CA-1 board
17. Spacer insulator
18. Mounting CCD
1-3. REMOVAL OF CA-3 BOARD, CA-2 BOARD AND CA-1 BOARD

Related product manuals