EasyManua.ls Logo

Sanyo VM-EX400P - Page 4

Sanyo VM-EX400P
64 pages
To Next Page IconTo Next Page
To Next Page IconTo Next Page
To Previous Page IconTo Previous Page
To Previous Page IconTo Previous Page
Loading...
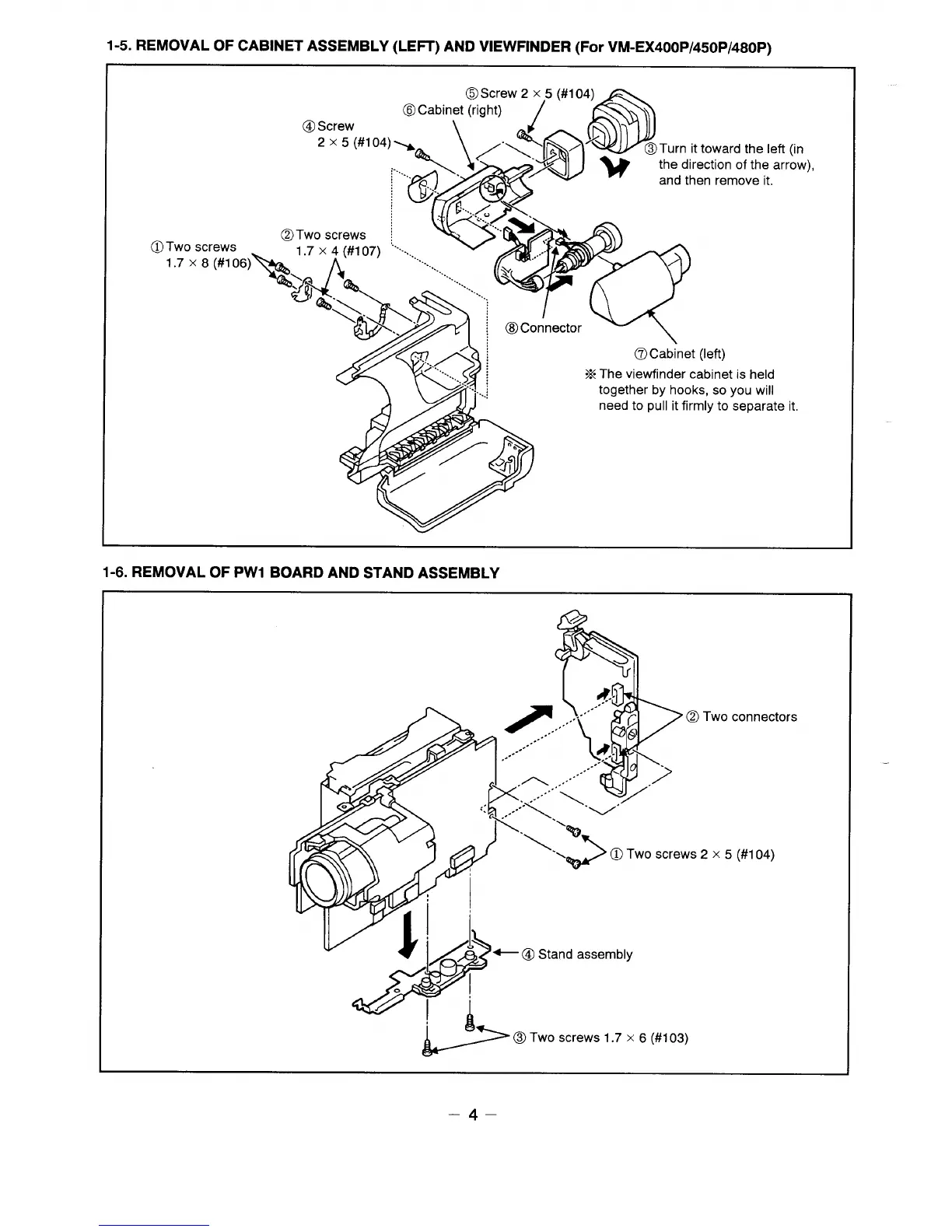
1-5. REMOVAL OF CABINET ASSEMBLY (LEFT) AND VIEWFINDER (For VM-EX400P/450P/480P)
@
@Cabinet (ri
@Screw
2 x 5 (#1 04)>-
\
Turn it toward the left (in
P
the direction of the arrow),
// ~
4
and then remove it.
m Two screws ~
1.7 x 4 (#l 07) “’’’...
P
‘-
......
%
““‘r LX,.—,6A- --------
q~y
@Cabinet (left)
“%The viewfinder cabinet is held
together by hooks, so you will
need to pull it firmly to separate it,
1-6. REMOVAL OF PW1 BOARD AND STAND ASSEMBLY
P
5,-+h@Twocon
.,,
‘-(
i?’
q
‘\
,..
----.
,2
“’”\.v</
-’%K
\.
\
‘%/
@ Two screws2x5(#104)
1
J
%
/
“\
+ Q Stand assembly
0
Ii
P
@ Two screws 1.7x 6 (#1 03)
–4–

Related product manuals