EasyManua.ls Logo

saro FT 13 - Rechte und Pflichten des Herstellers; Rights and Obligations of the Manufacterer; Stromlaufplan; Circuit Diagram

saro FT 13
13 pages
Print Icon
To Next Page IconTo Next Page
To Next Page IconTo Next Page
To Previous Page IconTo Previous Page
To Previous Page IconTo Previous Page
Loading...
12
Stand 10/2018 TM
RECHTE UND PFLICHTEN DES
HERSTELLERS
Der Hersteller kann nicht verantwortlich gemacht werden für
Schäden, die durch Personen oder Dinge wie folgt verursacht
werden:
Nichtbeachtung dieser Bedienungsanweisung
Nicht vorgesehene Art des Gebrauchs oder Gebrauch
durch nicht geschultes Personal�
Ungeeignete Aufstellungsplätze
Änderungen am Gerät oder Reparaturen von nicht
qualiziertem Personal�
Gebrauch von Ersatzteilen, die nicht original sind�
RIGHTS AND OBLIGATIONS OF THE
MANUFACTURER
The manufacturer can not be held responsible für damage
caused by persons or things as follows:
failure to follow these operating instructions�
unintended use or use by untrained personnel�
Unsuitable installation sites�
Changes to the device or repairs by unqualied
personnel�
Use of spare parts that are not original�
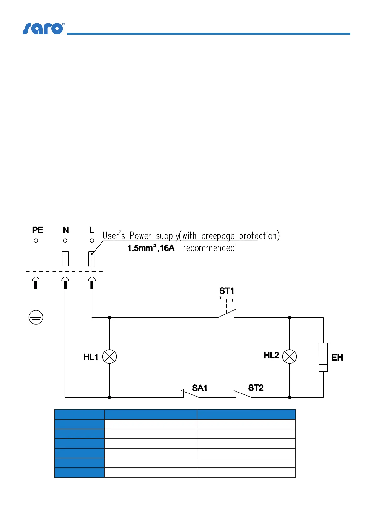
STROMLAUFPLAN / CIRCUIT DIAGRAM
FT 13 BEZEICHNUNG NAME
SA1 Mikroschalter microswitch
ST1 Thermostat thermostat
ST2 Sicherheitsthermostat security thermostat
HL1 Leistungsleuchte power lamp
HL2 Heizlampe heating lamp
EH Heizelement heating element
Stromversorgung (mit mit Kriechstromschutz)
1,5 mm, 16A empfohlen