EasyManua.ls Logo

SATO LT408 - USB Interface Setup Mode

SATO LT408
115 pages
Print Icon
To Next Page IconTo Next Page
To Next Page IconTo Next Page
To Previous Page IconTo Previous Page
To Previous Page IconTo Previous Page
Loading...
Unit 4: Printer Configuration
Lt408 Operator Manual
4-8 PN: 9001152A
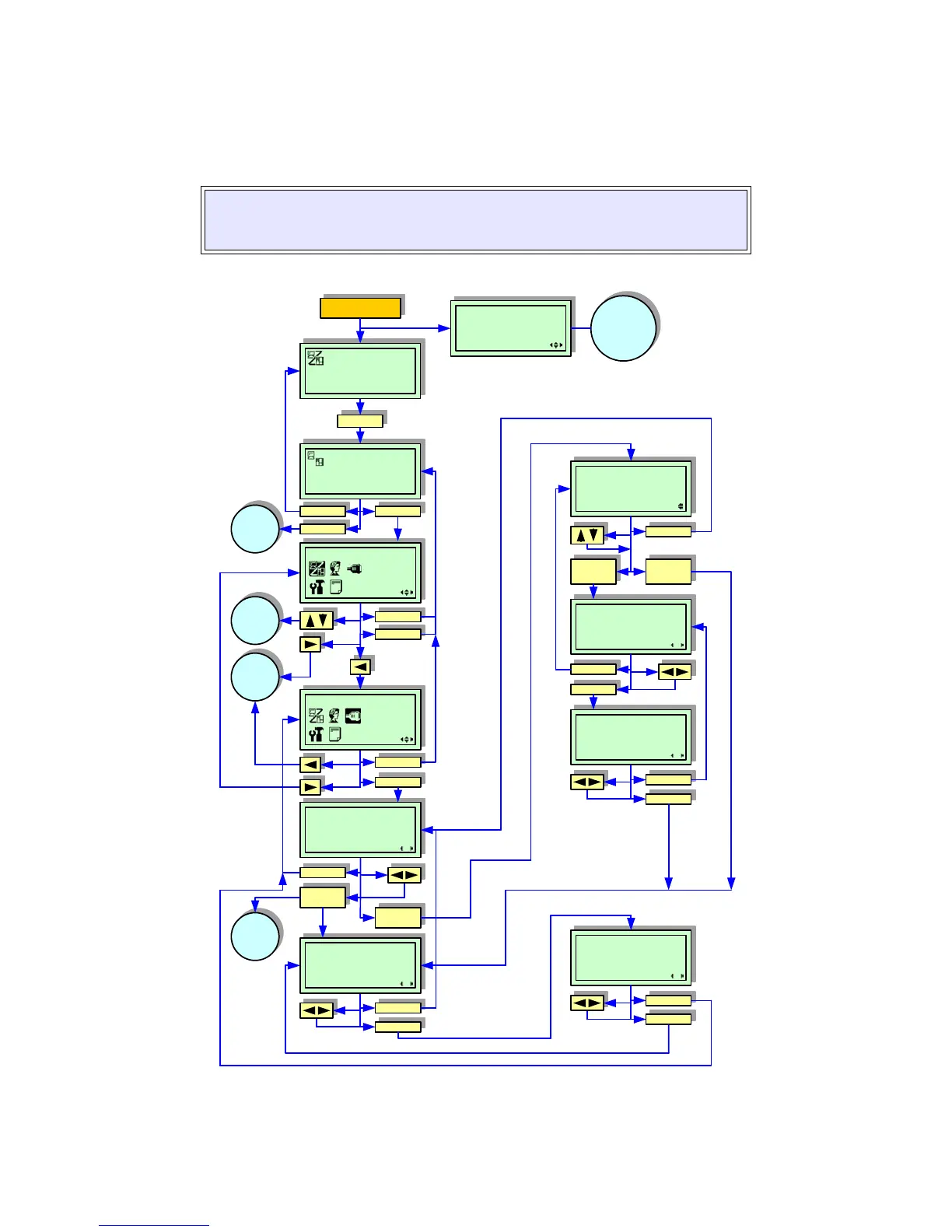
USB INTERFACE SETUP MODE
This chapter provides the programming sequences required for USB interface setup. Use the keys of the printer’s
operator panel to select and enter the required options.
Refer to the Menu Definition Tables in the following chapter to provide an explanation of each menu screen.
Figure 4-6, USB Interface Setup Mode
ATTENTION: Do not perform the following programming sequence if this is not the
interface type to be used. Instead, refer to the appropriate interface programming flow
chart.
POWER
LINE
Displayed
if password
feature is
enabled
PASSWORD
0000
LINE
CANCEL
Advanced
Mode
CANCEL
ENTER
ENTER
User
Mode
Cancels
print job
CANCEL
ENTER
CANCEL
ENTER
CANCEL
No
ENTER
ONLINE MODE
ONLINE
QTY: 000000
OFFLINE
QTY: 000000
INTERFACE MODE
INTERFACE BOARD
SETTING
YES NO
IGNORE CR/LF
YES NO
IGNORE CAN/DLE
YES NO
ENTER
CANCEL
Yes
ENTER
Select
No if using
USB
PROTOCOL
STATUS4
STATUS5
ITEM NO. CHECK
ENABLE DISABLE
BCC CHECK
ENABLE DISABLE
CANCEL
Status5
ENTER
Status4
ENTER
CANCEL
ENTER
CANCEL
ENTER

Table of Contents

Other manuals for SATO LT408

Related product manuals