EasyManua.ls Logo

SATO LT408 - Operational Modes

SATO LT408
115 pages
Print Icon
To Next Page IconTo Next Page
To Next Page IconTo Next Page
To Previous Page IconTo Previous Page
To Previous Page IconTo Previous Page
Loading...
Unit 4: Printer Configuration
Lt408 Operator Manual
4-10 PN: 9001152A
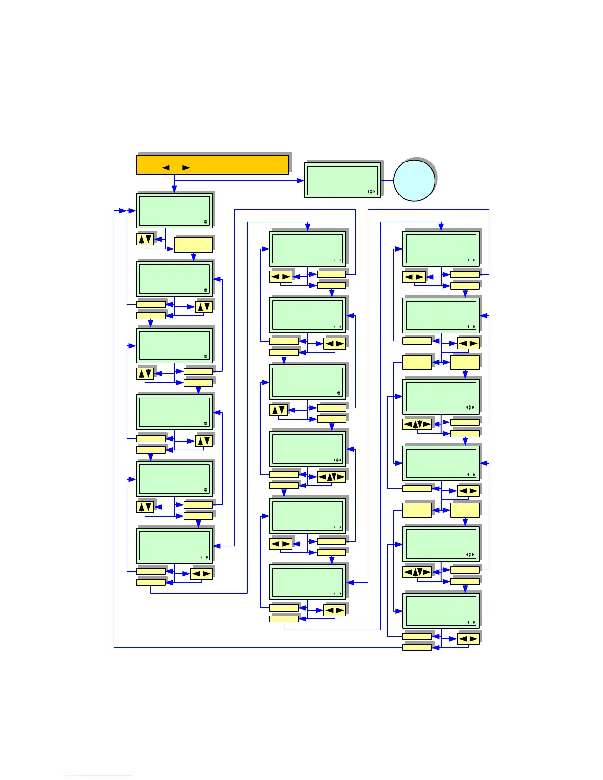
SERVICE MODE
Allows the programming of various dimensional settings, sensor thresholds, and language options. Use the keys of
the printer’s operator panel to select and enter the required options.
Refer to the Menu Definition Tables in the following chapter to provide an explanation of each menu screen.
Figure 4-8, Service Mode
Displayed
if password
feature is
enabled
PASSWORD
0000
Unlatch print head, then press and hold the following keys:
+ + ENTER + POWER
MAINTENANCE MODE
SERVICE MODE
FACTORY MODE
Service Mode
ENTER
SENSOR LEVEL
I-MARK X.XV
LEVEL OFFSET XX
CANCEL
ENTER
SENSOR LEVEL
I-MARK X.XV
SLICE LEVEL XX
CANCEL
ENTER
CANCEL
ENTER
SENSOR LEVEL
GAP X.XV
LEVEL OFFSET XX
SENSOR LEVEL
GAP X.XV
SLICE LEVEL XX
CANCEL
ENTER
CANCEL
ENTER
RIBBON NEAR END
ENABLE DISABLE
LABEL RE-DETECT
ENABLE DISABLE
CANCEL
ENTER
FUNCTION KEY
ENABLE DISABLE
CANCEL
ENTER
FUNCTION KEY
NONE
REPRINT
CANCEL
ENTER
CANCEL
ENTER
FORWARD / BACKFEED
DISTANCE
DEFAULT XXX MM
WEB ACCELERATION
FAST NORMAL
CANCEL
ENTER
EXT 9PIN SELECT
MODE1 MODE2
CANCEL
ENTER
PRIORITY SETTING
COMMAND INTERNAL
CANCEL
ENTER
SET PASSWORD
ON OFF
CANCEL
On
ENTER
Off
ENTER
PASSWORD NO.
XXXX
CANCEL
ENTER
COMPATIBLE MODE
ON OFF
MEDIA LENGTH
XXXX MM
CANCEL
Off
ENTER
On
ENTER
TRACE MODE
ON OFF
CANCEL
ENTER
CANCEL
ENTER

Table of Contents

Other manuals for SATO LT408

Related product manuals