EasyManua.ls Logo

Schaudt AD 01 - AD 01 block diagram; wiring diagram

Schaudt AD 01
18 pages
Print Icon
To Next Page IconTo Next Page
To Next Page IconTo Next Page
To Previous Page IconTo Previous Page
To Previous Page IconTo Previous Page
Loading...
Installation instructions for adapter AD 01...03
15
Date: 01.08.2012
822.371 BA / EN
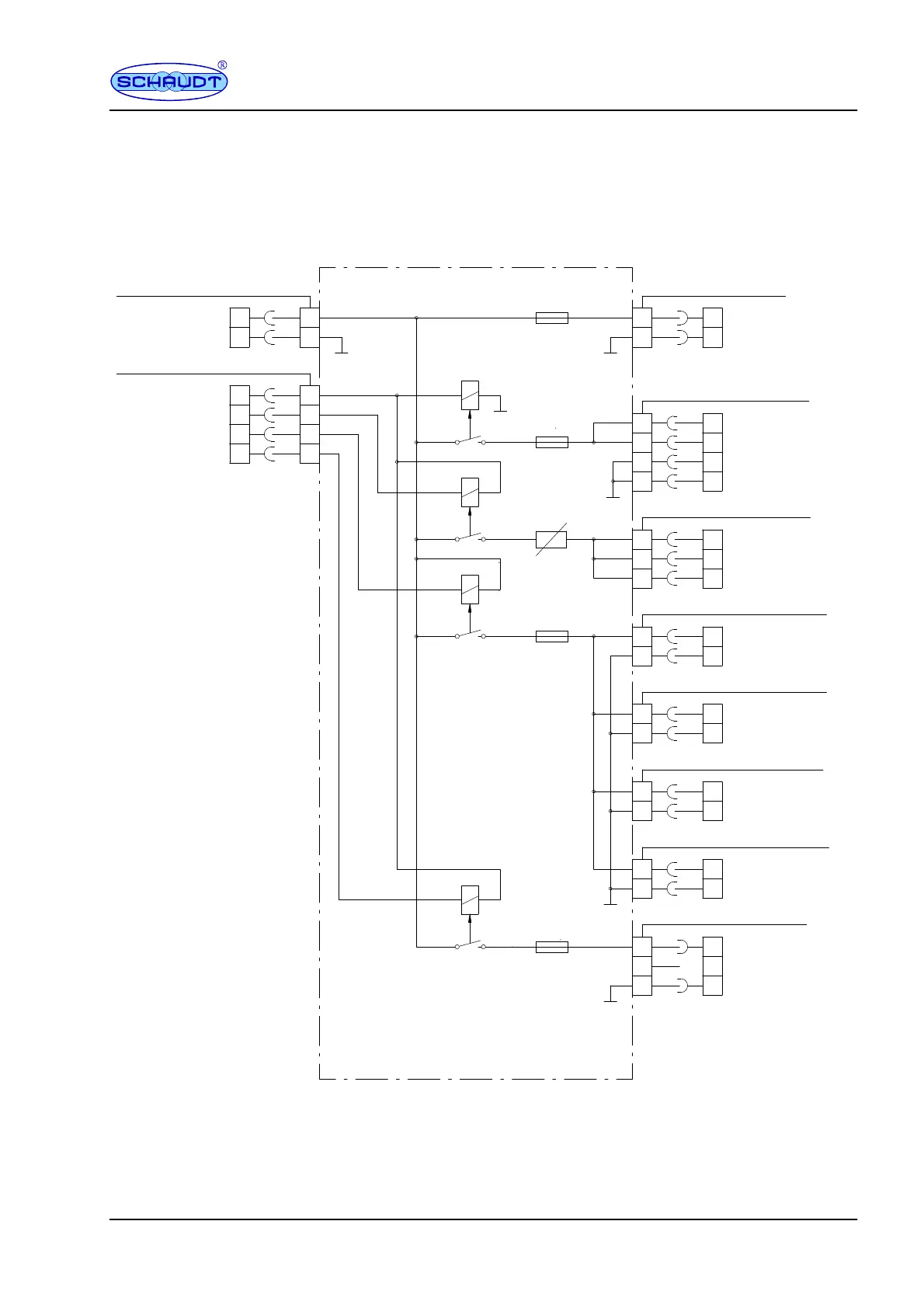
D AD 01 block diagram / wiring diagram
AD 01 PCB
+ Starter battery
-- Starter battery
Molex Minifit SR--2F B1
11
22
22
11
MNL pin cap 4F B4
Ignition ON
D+ active ground*
Position lights
Aux. heater
33
44
15A
5A
15A
15A
2
1
MNL pin cap 2F B3
-- 12V Steady
+ 12V Steady
1
2
+ 12V for ignition ON
-- 12V for ignition ON
4
2
MNL socket cap 4F B2
1
-- 12V for ignition ON
3
+ 12V for ignition ON
3
1
2
4
2
1
3
+ 12V for D+
3
+ 12V for D+
1
MNL socket cap 3F B5
2
+ 12V for D+
2
1
+ Position light 1
-- Position light 1
MNL socket cap 2F B7--1
1
2
2
1
MNL socket cap 2F B7--2
-- Position light 2
+ Position light 2
1
2
2
1
MNL socket cap 2F B7--3
-- Position light 3
+ Position light 3
1
2
2
1
MNL socket cap 2F B7--4
-- Position light 4
+ Position light 4
1
2
nc
2
MNL pin cap 3F B6
1
-- Aux. heater
3
+ Aux. heater
3
1
2
* active ground:
Signal to ground whilst
the engine is running.

Related product manuals