EasyManua.ls Logo

Schaudt AD 01 - AD 02 block diagram; wiring diagram

Schaudt AD 01
18 pages
Print Icon
To Next Page IconTo Next Page
To Next Page IconTo Next Page
To Previous Page IconTo Previous Page
To Previous Page IconTo Previous Page
Loading...
Installation instructions for adapter AD 01...03
16
Date: 01.08.2012 822.371 BA / EN
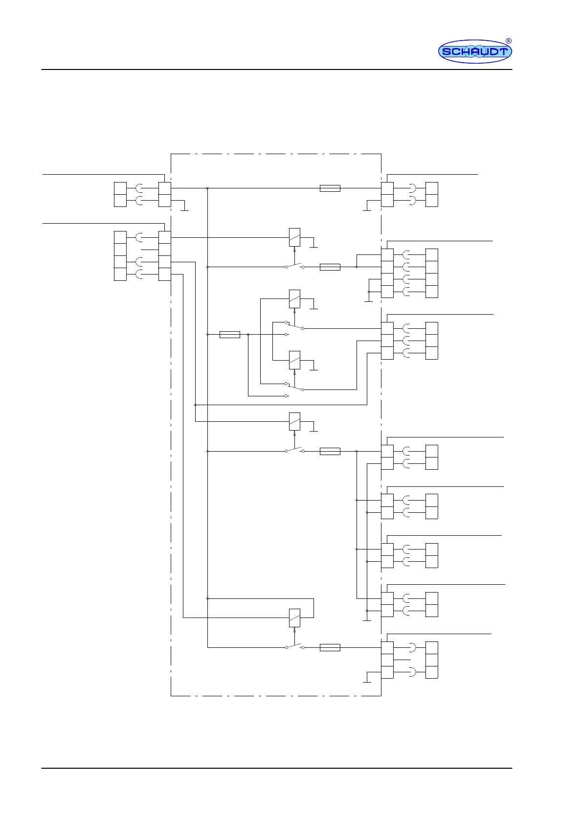
E AD 02 block diagram / wiring diagram
MNL pin cap 3F B6
12V with ignition
Input
AD 02 PCB
5A
nc
2
4
1
3
Terminal 15
Ground
Molex Minifit SR--2F B1
11
22
3
1
MNL pin cap 4F B4
Input 1
Position lights
Input 4
4
2
15A
5A
15A
15A
2
1
MNL pin cap 2F B3
--
+
1
2
+ Output 1a
-- Output 1a
4
2
MNL socket cap 4F B2
1
-- Output 1b
3
+ Output 1b
3
1
2
4
2
1
3
Fog light left
3
Position lights
1
MNL socket cap 3F B5
2
Fog light right
2
1
+ Position light 1
-- Position light 1
MNL socket cap 2F B7--1
1
2
2
1
MNL socket cap 2F B7--2
-- Position light 2
+ Position light 2
1
2
2
1
MNL socket cap 2F B7--3
-- Position light 3
+ Position light 3
1
2
2
1
MNL socket cap 2F B7--4
-- Position light 4
+ Position light 4
1
2
nc
2
1
-- Output 4
3
+ Output 4
3
1
2

Related product manuals