EasyManua.ls Logo

Schaudt AD 01 - AD 03 block diagram; wiring diagram

Schaudt AD 01
18 pages
Print Icon
To Next Page IconTo Next Page
To Next Page IconTo Next Page
To Previous Page IconTo Previous Page
To Previous Page IconTo Previous Page
Loading...
Installation instructions for adapter AD 01...03
17
Date: 01.08.2012
822.371 BA / EN
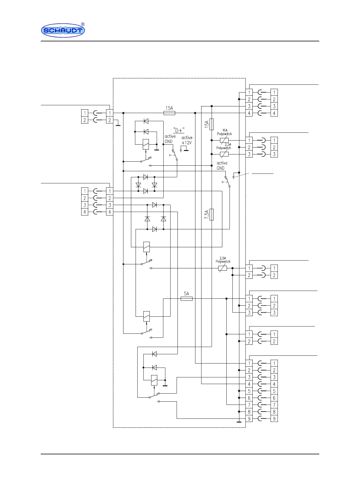
F AD 03 block diagram / wiring diagram
AD 03 PCB
MNL pin cap 4F Block 2
Starter battery
Ground
Molex Minifit SR--2F Block 1
D+
”Input” Kl. 15
Position light
Low-beam
MNL pin cap 4F Block 3
MNL pin cap 3F Block 4
MNL pin cap 2F Block 5
MNL pin cap 3F Block 6
MNL pin cap 2F Block 7
MNL pin cap 9F Block 8
Ground
Ground
Kl. 16
Kl. 30
KL. 15
Ground
Kl. 15
Position light
Low-beam
active
+12 V
D+
D+
Ground
D+
Position light
Ground
Kl. 30
Ground
TFL
Kl. 15
Ground
Ground
Position light
Ground
Low-beam

Related product manuals