EasyManua.ls Logo

Schweitzer Engineering Laboratories SEL-351S - Page 146

Schweitzer Engineering Laboratories SEL-351S
636 pages
Print Icon
To Next Page IconTo Next Page
To Next Page IconTo Next Page
To Previous Page IconTo Previous Page
To Previous Page IconTo Previous Page
Loading...
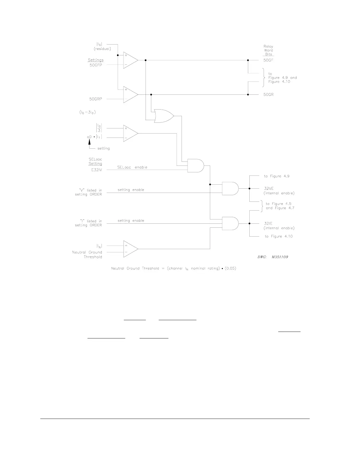
4-12 Loss-of-Potential, Load Encroachment, and Directional Element Logic Date Code 20010112
SEL-351S Instruction Manual
)LJXUH,QWHUQDO(QDEOHV9(DQG,(/RJLFIRU=HUR6HTXHQFH9ROWDJH3RODUL]HG
DQG&KDQQHO,1&XUUHQW3RODUL]HG'LUHFWLRQDO(OHPHQWV
1RWH ,IFKDQQHO,1LVUDWHG$QRPLQDOWKHQVHWWLQJRSWLRQ³,´LVQRWDYDLODEOHIRUVHWWLQJ
25'(57KLVUHVXOWVLQLQWHUQDOHQDEOH,(GHIDXOWLQJWRORJLFDODWWKHERWWRPRI
)LJXUH7KHFKDQQHO,1FXUUHQWSRODUL]HGGLUHFWLRQDOHOHPHQWWKDWIROORZVLQ
)LJXUHLVGHIHDWHG
DQGQRQRSHUDWLRQDOZKHQLQWHUQDOHQDEOH,( ORJLFDO
7KXVWKHFKDQQHO,1FXUUHQWSRODUL]HGGLUHFWLRQDOHOHPHQWLQ)LJXUHLVGHIHDWHG

QRQRSHUDWLRQDO
DQGXQDYDLODEOHZKHQFKDQQHO,1LVUDWHG$QRPLQDO

Table of Contents