EasyManua.ls Logo

Schweitzer Engineering Laboratories SEL-351S - Three-Pole Open Logic

Schweitzer Engineering Laboratories SEL-351S
636 pages
Print Icon
To Next Page IconTo Next Page
To Next Page IconTo Next Page
To Previous Page IconTo Previous Page
To Previous Page IconTo Previous Page
Loading...
Date Code 20010112 Trip and Target Logic 5-9
SEL-351S Instruction Manual
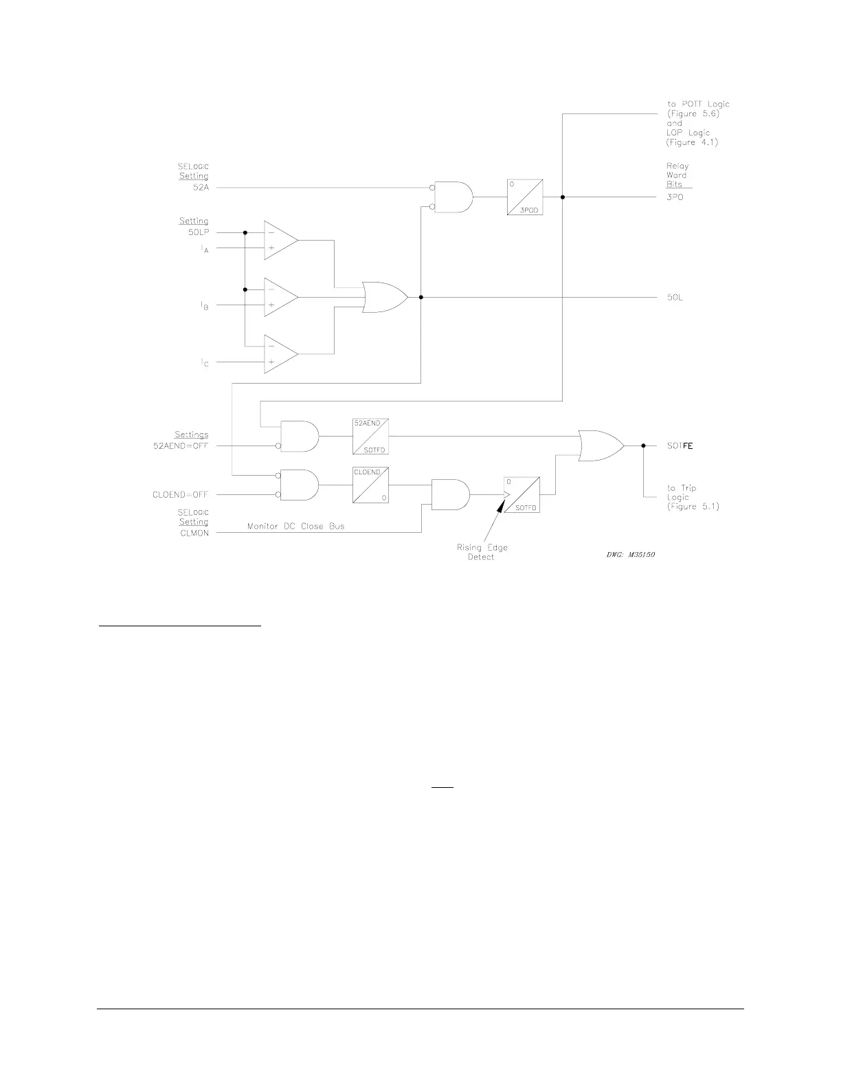
)LJXUH7KUHH3ROH2SHQ/RJLF7RSDQG6ZLWFK2QWR)DXOW/RJLF%RWWRP
Three-Pole Open Logic
7KUHHSROHRSHQ32ORJLFLVWKHWRSKDOIRI)LJXUH,WLVQRWDIIHFWHGE\HQDEOHVHWWLQJ
(627)VHH6HWWLQJV6KHHWRILQ6HFWLRQ6HWWLQJWKH5HOD\
7KHRSHQFLUFXLWEUHDNHUFRQGLWLRQLVGHWHUPLQHGIURPWKHFRPELQDWLRQRI
&LUFXLWEUHDNHUVWDWXV$
/RDGFXUUHQWFRQGLWLRQ/
,IWKHFLUFXLWEUHDNHULVRSHQ$ ORJLFDODQG
FXUUHQWLVEHORZSKDVHSLFNXS/3
/ ORJLFDOWKHQWKHWKUHHSROHRSHQ32FRQGLWLRQLVWUXH
32 ORJLFDO FLUFXLWEUHDNHURSHQ
7KH32'GURSRXWWLPHTXDOLILHVFLUFXLWEUHDNHUFORVXUHZKHWKHUGHWHFWHGE\FLUFXLWEUHDNHU
VWDWXV$RUORDGFXUUHQWOHYHO/:KHQWKHFLUFXLWEUHDNHULVFORVHG
32 ORJLFDO FLUFXLWEUHDNHUFORVHG

Table of Contents

Related product manuals