EasyManua.ls Logo

Schweitzer Engineering Laboratories SEL-351S - Page 176

Schweitzer Engineering Laboratories SEL-351S
636 pages
Print Icon
To Next Page IconTo Next Page
To Next Page IconTo Next Page
To Previous Page IconTo Previous Page
To Previous Page IconTo Previous Page
Loading...
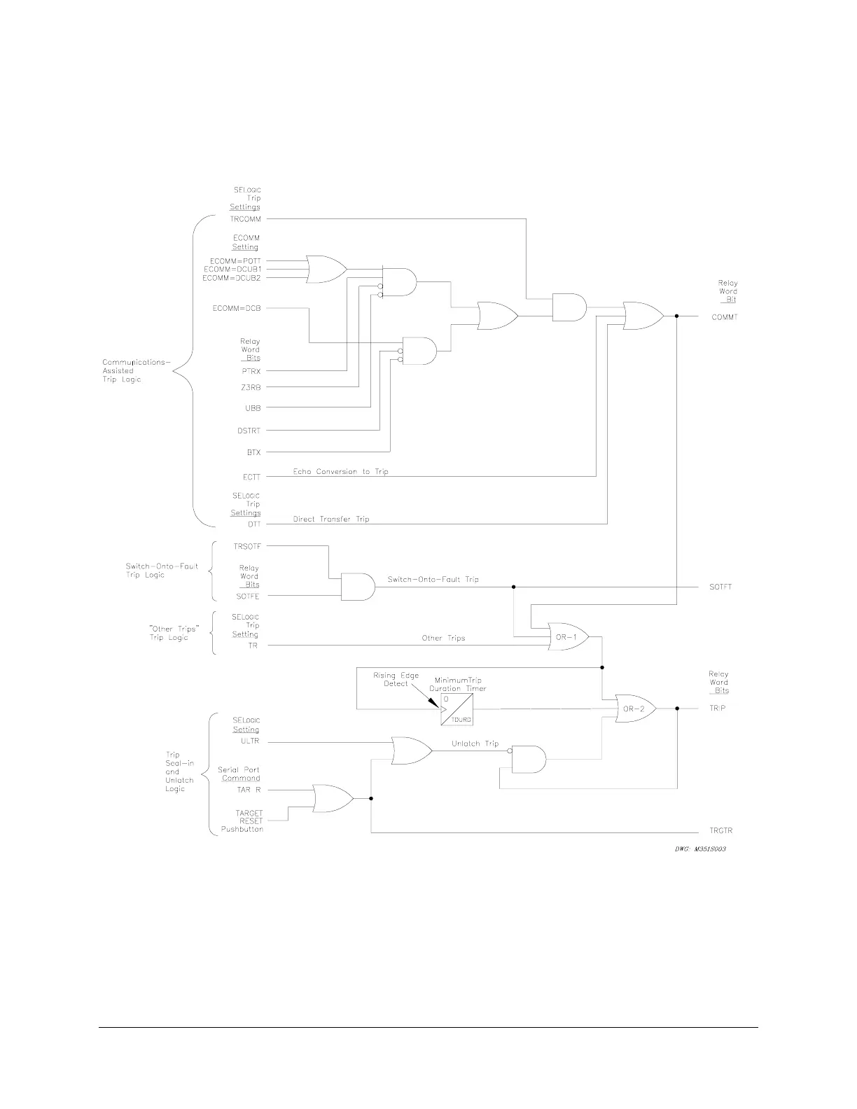
5-2 Trip and Target Logic Date Code 20010112
SEL-351S Instruction Manual
IRUZDUGRYHUUHDFKLQJ/HYHORYHUFXUUHQWHOHPHQWV75LVVHWZLWKGLUHFWLRQIRUZDUG
XQGHUUHDFKLQJ/HYHORYHUFXUUHQWHOHPHQWVDQGRWKHUWLPHGHOD\HGHOHPHQWVHJ/HYHO
GHILQLWHWLPHRYHUFXUUHQWHOHPHQWVDQG75627)LVVHWZLWKQRQGLUHFWLRQDORYHUFXUUHQW
HOHPHQWV
)LJXUH7ULS/RJLF

Table of Contents

Related product manuals