EasyManua.ls Logo

Schweitzer Engineering Laboratories SEL-351S - Page 53

Schweitzer Engineering Laboratories SEL-351S
636 pages
Print Icon
To Next Page IconTo Next Page
To Next Page IconTo Next Page
To Previous Page IconTo Previous Page
To Previous Page IconTo Previous Page
Loading...
Date Code 20010112 Installation 2-19
SEL-351S Instruction Manual
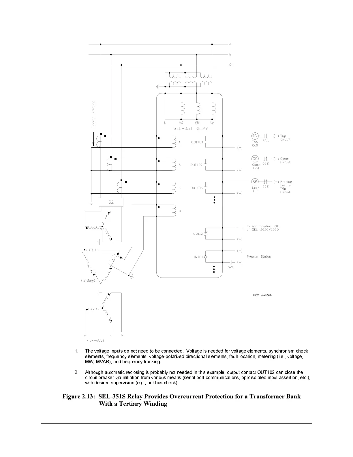
 7KHYROWDJHLQSXWVGRQRWQHHGWREHFRQQHFWHG9ROWDJHLVQHHGHGIRUYROWDJHHOHPHQWVV\QFKURQLVPFKHFN
HOHPHQWVIUHTXHQF\HOHPHQWVYROWDJHSRODUL]HGGLUHFWLRQDOHOHPHQWVIDXOWORFDWLRQPHWHULQJLHYROWDJH
0:09$5DQGIUHTXHQF\WUDFNLQJ
 $OWKRXJKDXWRPDWLFUHFORVLQJLVSUREDEO\QRWQHHGHGLQWKLVH[DPSOHRXWSXWFRQWDFW287FDQFORVHWKH
FLUFXLWEUHDNHUYLDLQLWLDWLRQIURPYDULRXVPHDQVVHULDOSRUWFRPPXQLFDWLRQVRSWRLVRODWHGLQSXWDVVHUWLRQHWF
ZLWKGHVLUHGVXSHUYLVLRQHJKRWEXVFKHFN
)LJXUH6(/65HOD\3URYLGHV2YHUFXUUHQW3URWHFWLRQIRUD7UDQVIRUPHU%DQN
:LWKD7HUWLDU\:LQGLQJ

Table of Contents

Related product manuals