EasyManua.ls Logo

Scopus CODICO E-1710 - Page 27

Default Icon
30 pages
Print Icon
To Next Page IconTo Next Page
To Next Page IconTo Next Page
To Previous Page IconTo Previous Page
To Previous Page IconTo Previous Page
Loading...
CODICO
®
E-1710&1720
Compact DSNG Encoders
Scopus Documents (p/n 100401) Page 1-9
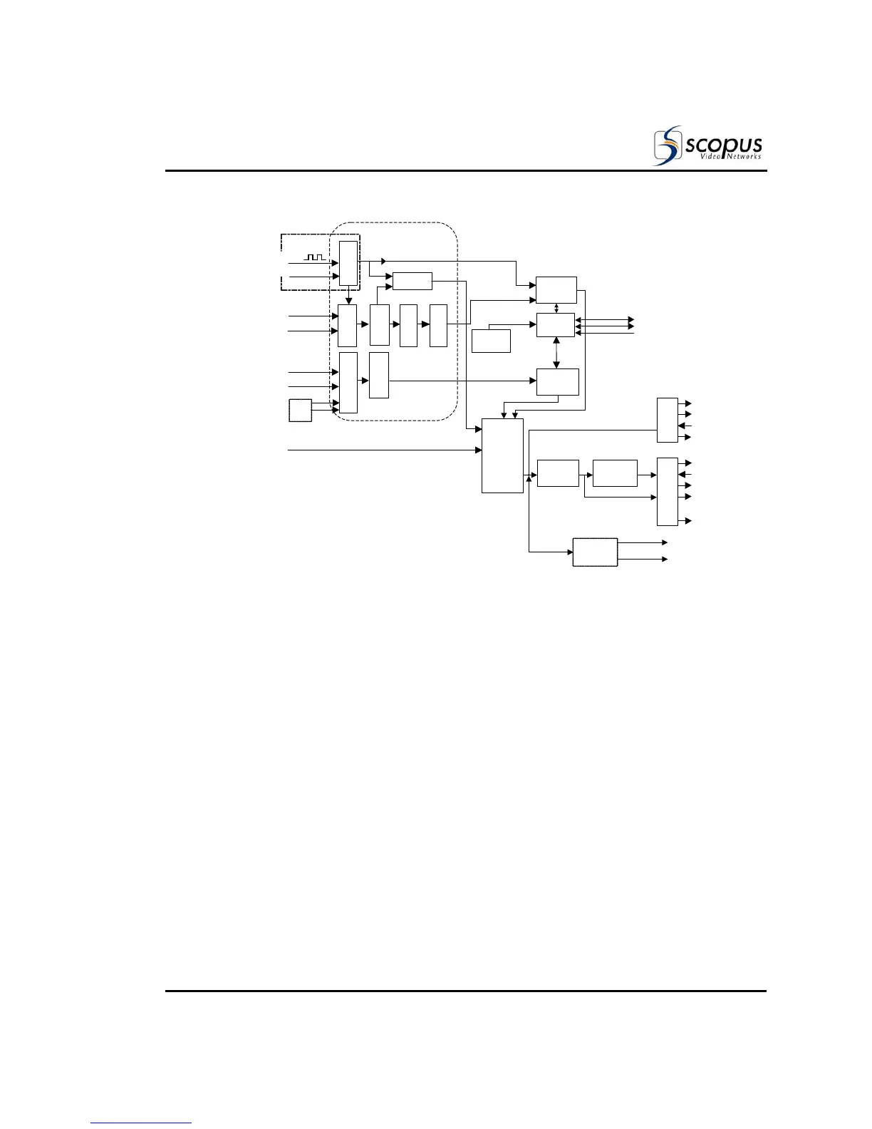
Figure 1-4: DSNG Encoder - Functional Block Diagram
Frame
Sync.
COMB
FILTER
MPEG
ENCODER
DIGITAL
VIDEO
ANALOG
VIDEO
ANALOG/DIGITAL
AUDIO
AUDIO
ENCODER
SDI
COMPOSITE
S-VHS
HIGH SPEED DATA
VIDEO PRE PROCESSIN G
CH2
CPU
ETH ERNET
RS232
RS232 CONT ROL
COMPACT
FLASH
CARD
RS-422 OUTPU T (E-1710
)
CLOCK
IF OUT
ASI 1 OUT
OPTION
CH1
ANALOG
ENCODER or
AES-EBU
AUDIO
(OPTION)
CH3
CH4
VBI
PROCESSOR
A/D
A/D
T.B. INTERFA CE
(OPTION)
DVB
SCRMAMBLER
COMPOSITE
PROGR AM
MUX
SATELLITE
MODULATOR
MONITORING
UP-CONVERT ER
SCR(OPTION)
SCR(OPTION)
RS-422 OUTPU T (E-1710
)
L-BAND OUT
L-BAND OUT MONITOR
24V DC
10MHz REF CLOCK
RS-232 IN (E-1710 ONLY)

Related product manuals