EasyManua.ls Logo

Scotsman AC-EC 177 - Page 48

Scotsman AC-EC 177
48 pages
Print Icon
To Previous Page IconTo Previous Page
To Previous Page IconTo Previous Page
Loading...
Page 48
Page 48
16
15
14
13
2
1
7
8
9
10
3
4
5
6
11
Rx Tx
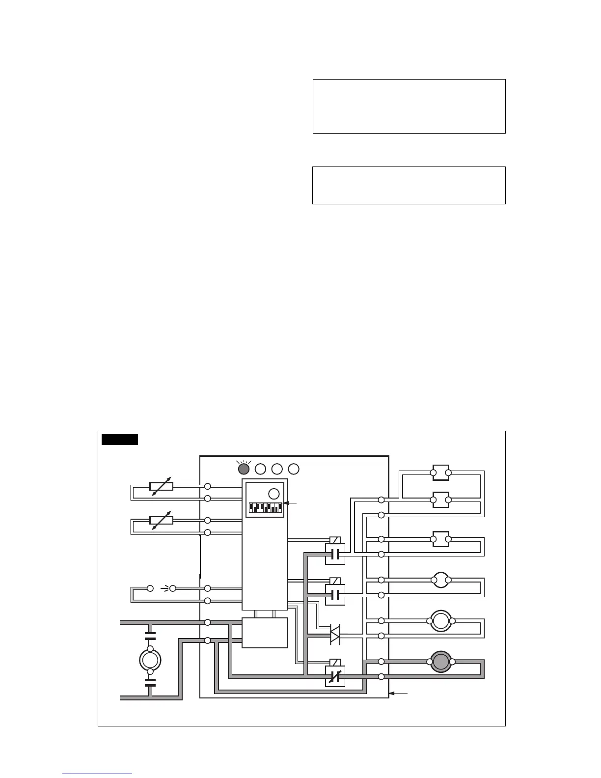
WATER IN VALVE
HOT GAS VALVE
FAN MOTOR
WATER PUMP
- EVAPORATOR
- AMBIENT
- CONDENSER
TEMPERATURE SENSORSBINCOMPRESSOR
TRANSF.
DATA
PROCESSOR
ELECTR.
TIMER
DIP
SWITCH
ELECTRONIC CARD
L
N
RELAYS
RELAY
TRIAC
WATER DRAIN VALVE
CONTACTOR COIL
12
FIG. 8
2. Follow the procedures as per cleaning water
pump operation, only by keeping pushed Reset
button between 2 ÷ 5" during water filling. Just
shorting the operation of the water pump to 10
minutes.
3. Place again the evaporator cover and the
unit service panels.
4. At completion of the freezing and harvest
cycle make sure of proper texture and clearness
of the ice cubes and that, they do not have any
acid taste.
ATTENTION. In case the ice cubes are
cloudy-white and have an acid taste, melt
them immediately by pouring on them
some warm water. This to prevent that
somebody could use them.
5. Wipe clean and rinse the inner surfaces of
the storage bin.
REMEMBER.
To prevent the accumulation of
undesirable bacteria it is necessary to sanitize
every week the interior of the storage bin.

Related product manuals