EasyManua.ls Logo

Scotsman AC-EC 87 - OPERATIONAL CHECKS

Scotsman AC-EC 87
48 pages
Print Icon
To Next Page IconTo Next Page
To Next Page IconTo Next Page
To Previous Page IconTo Previous Page
To Previous Page IconTo Previous Page
Loading...
Page 23
Page 23
In case of air condenser filter clogged such to
prevent the proper flow of the cooling air or,
in case the fan motor is out of operation or
shortage of water in the water cooled
condenser, the condenser temperature rises
and when it reaches 70
°
C (160
°
F) - for air
cooled version - or 60
°
C (140
°
F) - for water
cooled version - the condenser temperature
sensor shuts-off the ice maker with the
consequent light-up of the RED WARNING
LED (Fig.3) as well as the Red Alarm Light
(ON Steady).
After having diagnosed the reason of the rise
of temperature and removed its cause, it is
necessary to Switch OFF (wait few seconds)
and Switch ON the unit, thus to put the
machine in condition to initiate a new freezing
cycle.
The machine restarts with the usual 5 minutes
water filling phase in order to provide enough
water into the sump tank.
C. At completion of the water filling phase
(5 minutes) the unit passes automatically into the
freezing cycle with the start up of:
COMPRESSOR
WATER PUMP
FAN MOTOR (in air cooled version) controlled by
the condensing temperature sensor located within
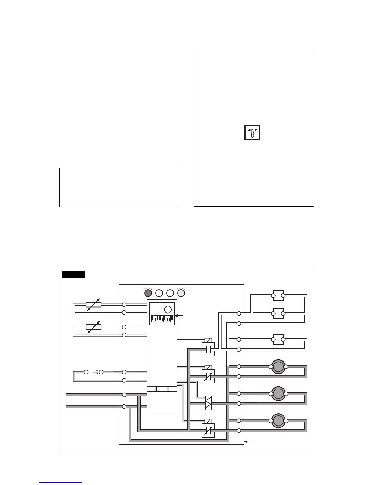
the condenser fins (Fig.2).
OPERATIONAL CHECKS
D. Install, if required, the refrigerant service
gauges on both the high side and low side
Scraeder valves to check the compressor head
and suction pressures.
NOTE. On air cooled models, the condenser
temperature sensor, which is located within
the condenser fins, keep the head
(condensing) pressure between values as
per discharge pressure details at pag. 31.
FIG. 2
16
15
13
2
1
7
8
9
10
3
4
5
6
11
12
Rx Tx
WATER IN VALVE
HOT GAS VALVE
COMPRESSOR
FAN MOTOR
WATER PUMP
- EVAPORATOR
- CONDENSER
TEMPERATURE SENSORSBIN
TRANSF.
DATA
PROCESSOR
ELECTR.
TIMER
DIP
SWITCH
ELECTRONIC CARD
L
N
RELAYS
RELAY
TRIAC
WATER DRAIN VALVE

Related product manuals