EasyManua.ls Logo

Scotsman EC 106 - Page 23

Scotsman EC 106
49 pages
Print Icon
To Next Page IconTo Next Page
To Next Page IconTo Next Page
To Previous Page IconTo Previous Page
To Previous Page IconTo Previous Page
Loading...
Page 21
Page 21
F. The ice making process takes place thereby,
with the water sprayed into the molds that gets
gradually refrigerated by the heat exchange with
the refrigerant flowing into the evaporator
serpentine. During the freezing process, the
evaporator temperature falls to 0°C (Red Led
blinking as per Fig. 4) and then to -15°C (Red Led
ON steady as per Fig. 4a). When it reaches
-15°C the evaporator temperature sensor
supplies a low voltage power signal to the
electronic control device (P.C.BOARD) in order
to activate an electronic timer. This one takes
over the control of the freezing cycle up to the
complete formation of the ice cubes.
NOTE. The lenght of the entire freezing
cycle is governed by the evaporator tempe-
rature sensor which has its probe placed in
contact with the evaporator serpentine (Non
adjustable) in combination with the electronic
timer (Adjustable) incorporated in the
P.C.BOARD. The timer adjustment is factory
set in consideration of the ice maker type,
cooling version and ice cube size (Small,
Medium, Large). It is possible, however, to
modify the timed lenght of the freezing cycle,
by changing the DIP SWITCH keys setting.
In Table B of PRINCIPLE OF OPERATION
are shown the various time extensions of the
freezing cycle second phase, in relation with
the different DIP SWITCH keys setting.
G. After about 17÷20 minutes from the begin-
ning of the freezing cycle, in an hypothetic
ambient temperature of 21°C, the defrost cycle
takes place with the hot gas, the water inlet
and the water drain valves simoultaneously
activated (Fig. 5).
The electrical components in operation on models
are:
COMPRESSOR
WATER INLET VALVE
HOT GAS VALVE
WATER DRAIN VALVE
and the
WATER PUMP
on the first 15 seconds on models EC 106,
EC 126 & EC 176 and 30 seconds on models
EC 206 & EC 226.
NOTE. The lenght of the defrost cycle is
automatically determinated by the micro-
processor of the P.C. BOARD in relation of
the time necessary for the unit to reduce the
evaporator temperature from 0
°
C (32
°
F) small
Red LED blinking to -15
°
C (5
°
F) small Red
LED ON steady - TIME T2.
I
t is possible to extend the length of the defrost
cycle by changing the setting of DIP SWITCH
7 and 8 as shown on table at page 34.
H. Check, during the defrost cycle, that the
incoming water flows correctly into the sump
reservoir in order to refill it and that the surplus
overflows through the overflow drain tube.
I. Check the texture of ice cubes just released.
They have to be in the right shape with a small
depression of about 5-6 mm in their crown.
If not, wait for the completion of the second cycle
before performing any adjustment.
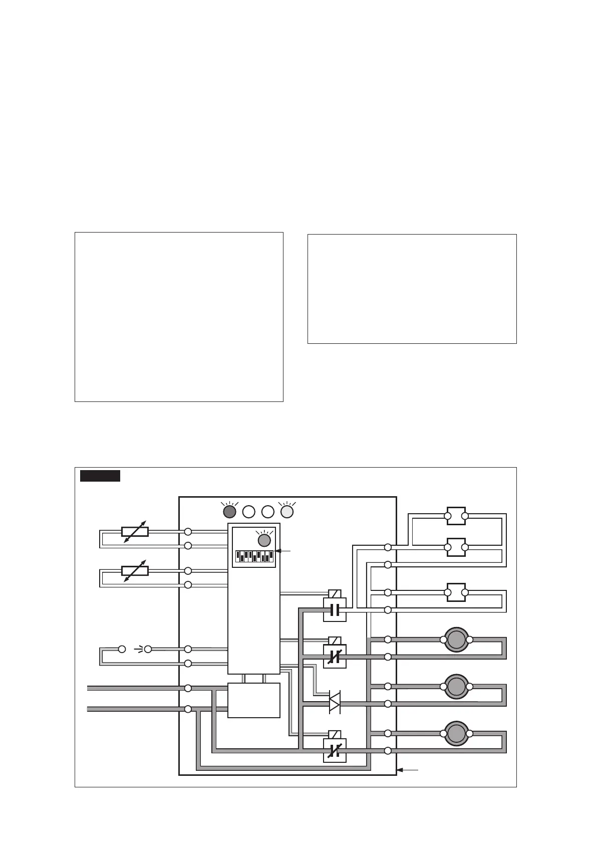
FIG. 4a
16
15
13
2
1
7
8
9
10
3
4
5
6
11
12
Rx Tx
WATER IN VALVE
HOT GAS VALVE
COMPRESSOR
FAN MOTOR
WATER PUMP
- EVAPORATOR
- CONDENSER
TEMPERATURE SENSORSBIN
TRANSF.
DATA
PROCESSOR
ELECTR.
TIMER
DIP
SWITCH
ELECTRONIC CARD
L
N
RELAYS
RELAY
TRIAC
WATER DRAIN VALVE

Related product manuals