EasyManua.ls Logo

Scotsman EC 86 - EC 86 Air and Water Cooled Wiring

Scotsman EC 86
28 pages
Print Icon
To Next Page IconTo Next Page
To Next Page IconTo Next Page
To Previous Page IconTo Previous Page
To Previous Page IconTo Previous Page
Loading...
Page 22
Page 22
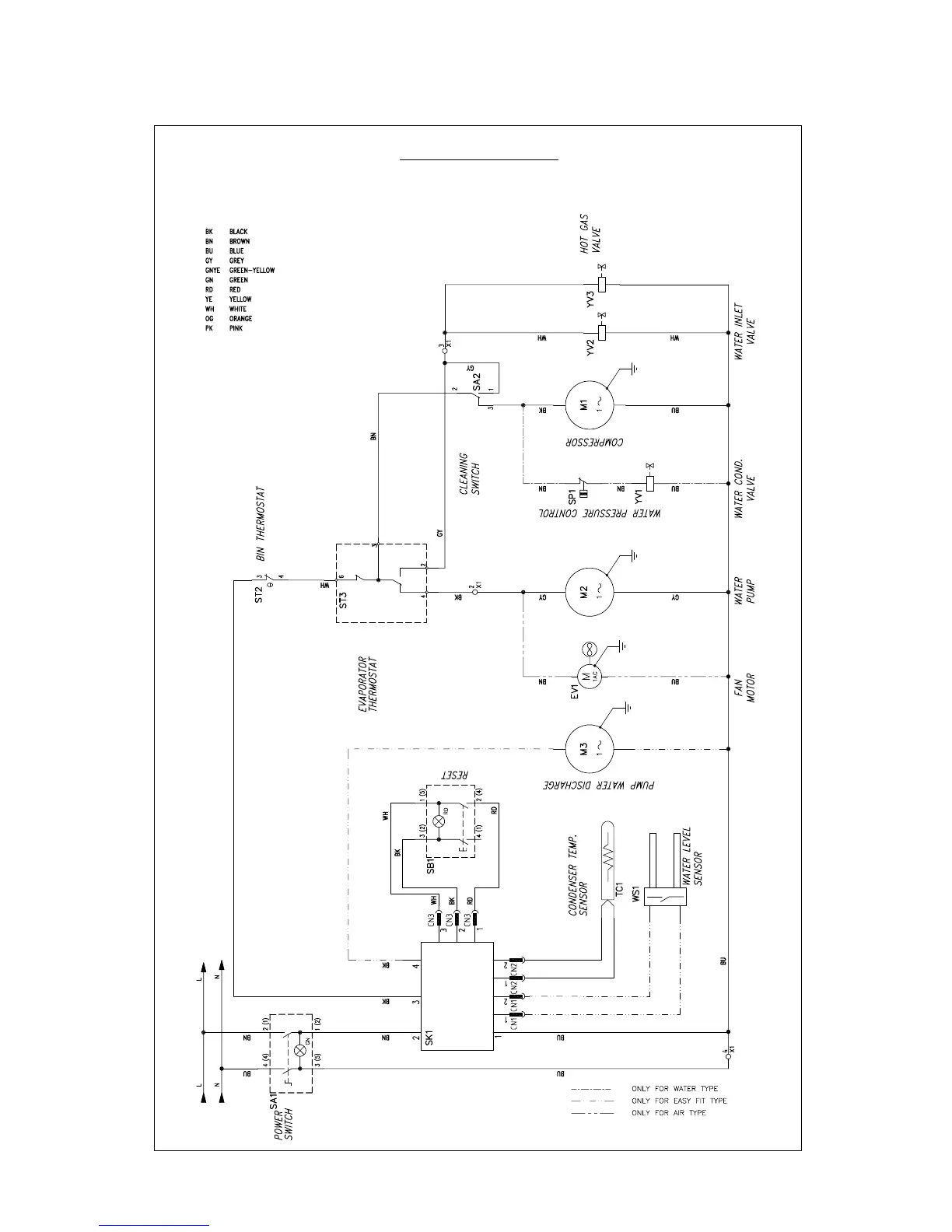
WIRING DIAGRAM
EC 86 AIR AND WATER COOLED 230/50/1
The unit is shown on freezing cycle

Other manuals for Scotsman EC 86

Related product manuals