EasyManua.ls Logo

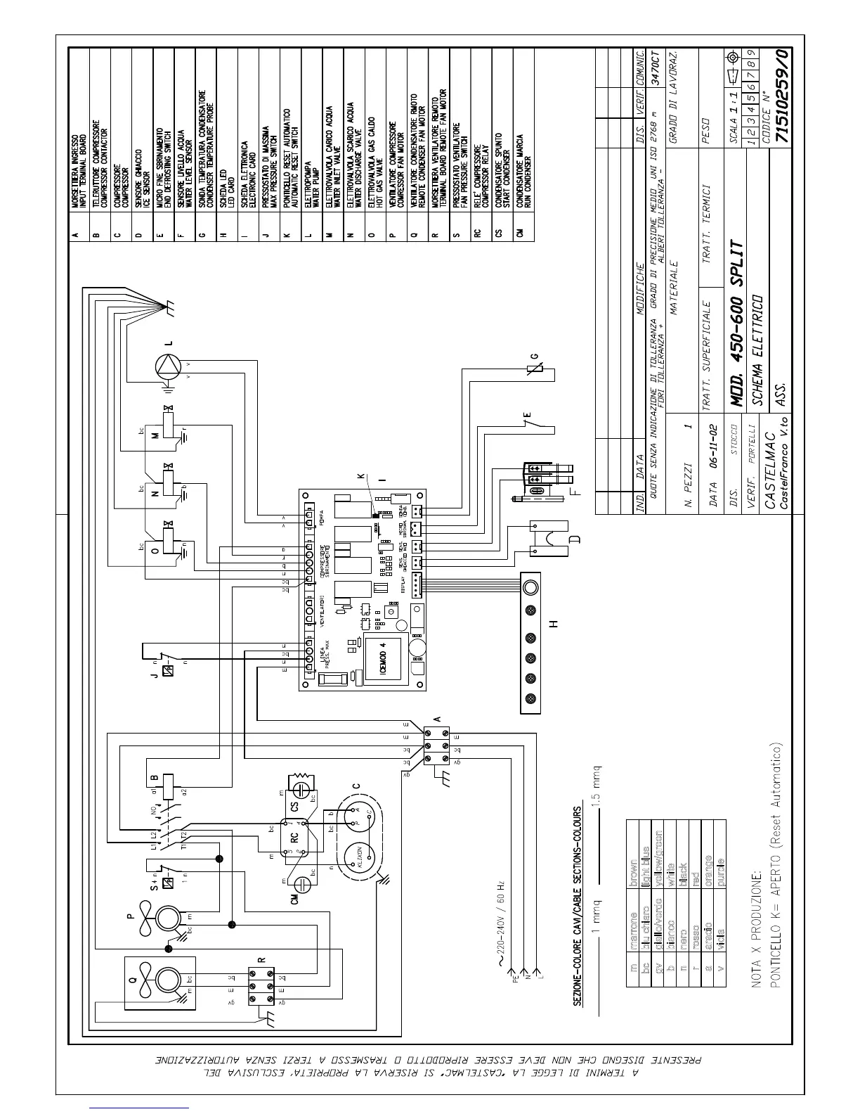
Scotsman MC 46 - Wiring Diagram for 450-600 Split Models; Terminal Board and Component Connections

Scotsman MC 46
14 pages
Print Icon
To Previous Page IconTo Previous Page
To Previous Page IconTo Previous Page
Loading...

Related product manuals