EasyManua.ls Logo

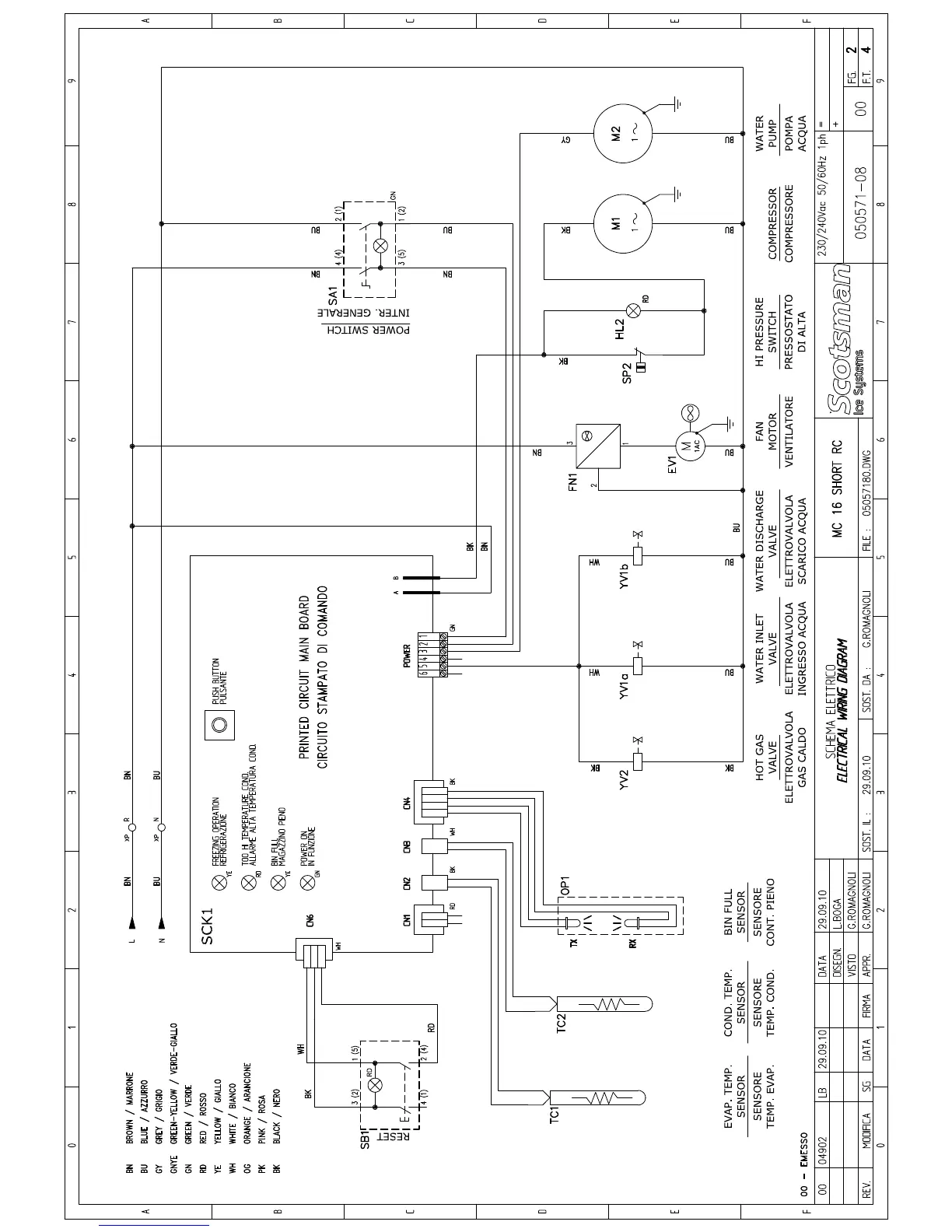
Scotsman MC 46 - Electrical Wiring Diagram

Scotsman MC 46
14 pages
Print Icon
To Next Page IconTo Next Page
To Next Page IconTo Next Page
To Previous Page IconTo Previous Page
To Previous Page IconTo Previous Page
Loading...

Related product manuals