EasyManua.ls Logo

Scotsman MV 606 - MV 426;456;606;806 WIRING DIAGRAM

Scotsman MV 606
35 pages
Print Icon
To Next Page IconTo Next Page
To Next Page IconTo Next Page
To Previous Page IconTo Previous Page
To Previous Page IconTo Previous Page
Loading...
Page 31
Page 31
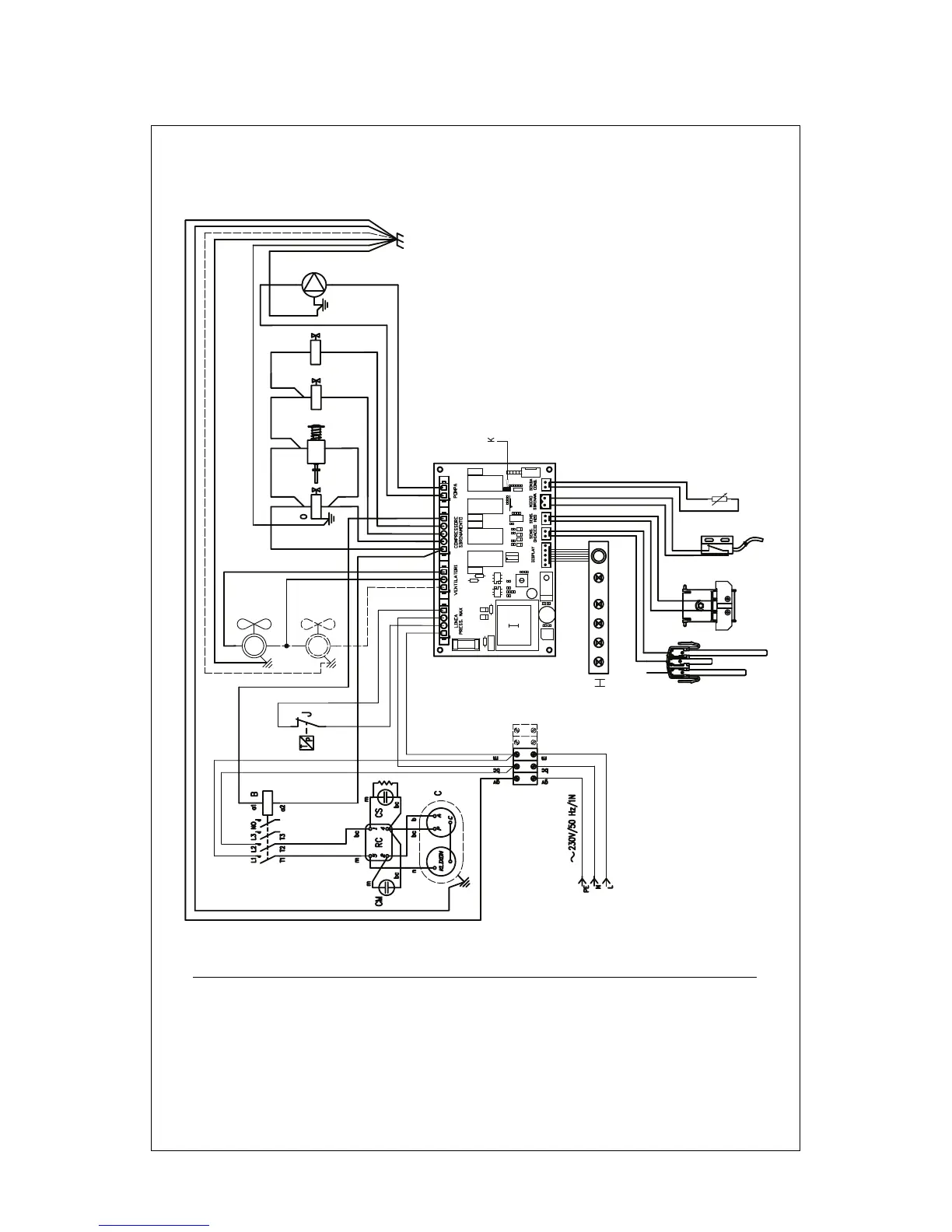
MV 426/456/606/806 - WIRING DIAGRAM
220 V. 50 Hz. 1 ph.
A - Input terminal board
B - Compressor remote control switch
C - Compressor
D - Ice sensor
E - End defrosting switch
F - Water level sensor
G - Condenser temperature probe
H - Led card
I - Electronic card
J - Max pressure switch
K - Automatic reset switch
L - Water pump
M - Water inlet valve
N - Water discharge valve
O - Hot gas valve
SP- Solenoid harv assist
P1- Fan Motor (only AIR cooled unit)
P2- Fan Motor (only WATER cooled unit)
RC
- Compressor relay
CS
- Start condenser
CM
- Run condenser
m = brown
bc = light blue
gv = yellow green
b = white
n = black
r = red
a = orange
v = violet
L
SP
F
E
G
v
v
bc
m
bc
n
b
r
a
m
n
bc
n
n
n
bcm
bc
n
bc
n
v
v
N
b
bc
M
r
bc
D
m
P1
P2
A

Other manuals for Scotsman MV 606

Related product manuals