EasyManua.ls Logo

SCRAPPER E-STRADA E-8400 - Comprehensive Technical Data

SCRAPPER E-STRADA E-8400
40 pages
Print Icon
To Next Page IconTo Next Page
To Next Page IconTo Next Page
To Previous Page IconTo Previous Page
To Previous Page IconTo Previous Page
Loading...
19/40
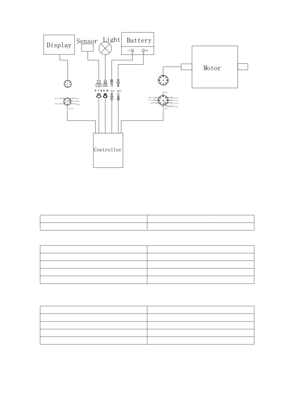
12. Main technical specification sheet
Please find model name of your bike below:
Model
Remark (for reference)
E-8400RM
E-8400 E-STRADA
Here is some of the general technical Data for these electric bikes:
Maximum Speed with Electric Assistance:
25km/h ±5%
Distance per full charge:
36V: 80~90km (total loading 75kgs)
Weight ebike:
23Kg
Over Current Protection Value:
15±1A (Under 36V)
Under Voltage Protection Value:
31.5V ±0.5V (Under 36V)
Please find the crossed technical data regarding the e-bike motor below:
Motor Type:
Brushless with Starry Gears_ with Hall
Maximum Riding Noise:
<70db
Rated power:
200W
Maximum output power:
250W
Rated voltage:
36V