EasyManua.ls Logo

SDS EM-6 - Page 21

SDS EM-6
77 pages
Print Icon
To Next Page IconTo Next Page
To Next Page IconTo Next Page
To Previous Page IconTo Previous Page
To Previous Page IconTo Previous Page
Loading...
21
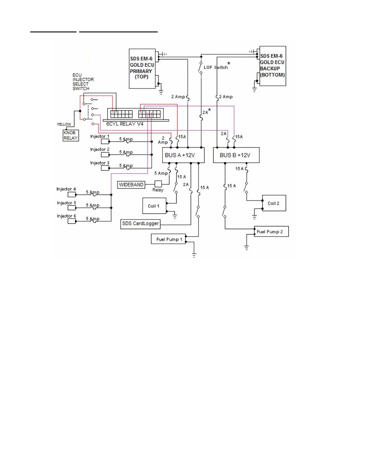
6 Cylinder Dual Power Buss Schematic
*LOP switch only needed if using 3-1/8” programmer. Design1 Rectangular programmer has a built in
key on its keypad for LOP.
Backup Electrical Power Considerations
Electrical power is necessary to keep the ECU, fuel pump, coils and injectors running so it’s important to
think about having a backup power source available. In the case of Lycoming engines, a small backup
alternator like the Monkworkz MZ-30L, B&C SD8, SD20 or BC410-H SD can be fitted to a vacuum pump
pad. On other engines, a small second alternator could be fitted.
If you don’t have a second alternator, you should have a small backup battery. Sizing would depend on
your typical/ maximum distance between airports. Current draw of the pump, ECU, injectors and coils
would be around 12 to 14 amps. A 12 amp/hour battery should give you 20- 30 minutes of flight time, just
running the engine electrics. An 18 amp/hour one, around 45 minutes. The aim is to be able to sustain at
least 10 volts to the electrics.
We’ve found the most reliable, simple and light way to get backup battery power to the engine electrics is
a single 12 to 14 gauge wire running from the backup battery, through a 30 amp ATO fuse, to a heavy
duty switch, to the main buss where all the engine electrics can receive power. Charge the backup
battery every 30 days or close the switch during taxi, open before takeoff and load test annually.

Related product manuals