EasyManua.ls Logo

Seakeeper 6 - Page 5

Seakeeper 6
45 pages
Print Icon
To Next Page IconTo Next Page
To Next Page IconTo Next Page
To Previous Page IconTo Previous Page
To Previous Page IconTo Previous Page
Loading...
INSTALLATION
MANUAL
Product: Document #: Rev: Page:
SEAKEEPER 6 90402 1 3 of 6
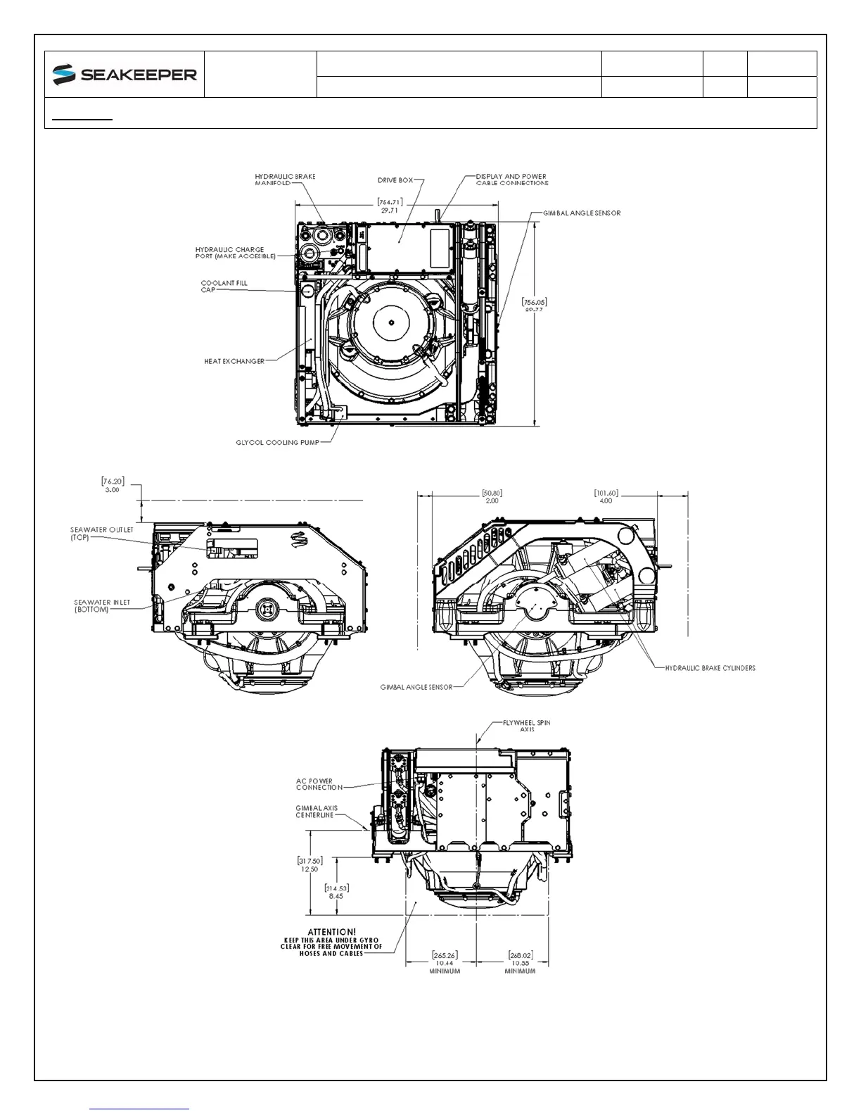
Section 1: MECHANICAL INSTALLATION

VIEWS SHOWING RECOMMENDED CLEARANCES AROUND SEAKEEPER FOR USE OF HAND-TOOLS, EASE
OF MAINTENANCE, INSTALLATION AND PROPER OPERATION.
FIGURE 2 – INSTALLED SEAKEEPER CLEARANCE CONSIDERATIONS

Other manuals for Seakeeper 6