EasyManua.ls Logo

Sealey bg150WL - PARTS FOR: BENCH GRINDER 200 Mm with WORK LIGHT 550 W;230 V BG200 WL

Sealey bg150WL
8 pages
Print Icon
To Previous Page IconTo Previous Page
To Previous Page IconTo Previous Page
Loading...
01284 757500
01284 703534
sales@sealey.co.uk
www.sealey.co.uk
Web
email
NOTE: It is our policy to continually improve products and as such we reserve the right to alter data, specifications and component parts without prior notice.
IMPORTANT: No liability is accepted for incorrect use of product.
WARRANTY: Guarantee is 12 months from purchase date, proof of which will be required for any claim.
INFORMATION: For a copy of our latest catalogue and promotions call us on 01284 757525 and leave your full name and address, including
postcode.
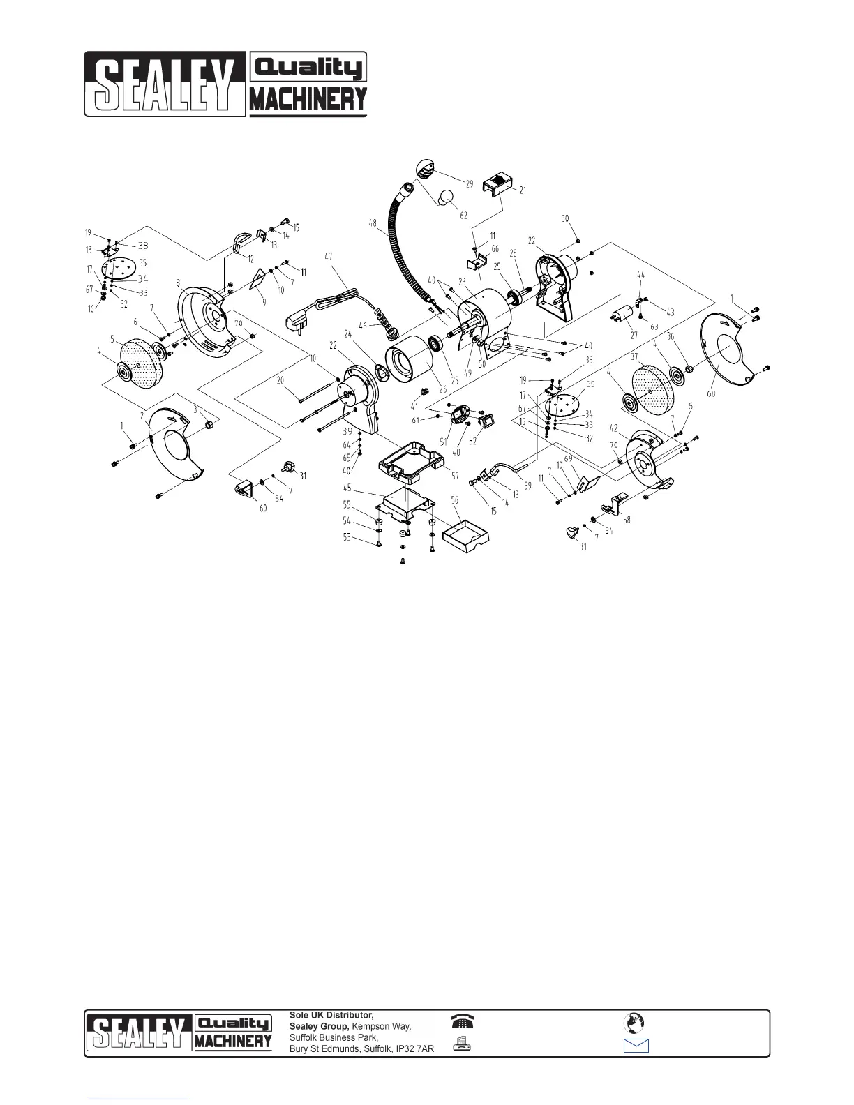
ITEM PART NO DESCRIPTION
1 BG200WL.01 SCREW (M5x16)
2 BG200WL.02 LEFT GUARD COVER
3 BG200WL.03 HEX NUT M16
4 BG200WL.04 WHEEL FLANGE
6 BG200WL.06 SCREW (M5x10)
7 BG200WL.07 SPRING WASHER 5mm
8 BG200WL.08 LEFT GUARD INNER COVER
9 BG200WL.09 LEFT SPARK DEFLECTOR
10 BG200WL.10 FLAT WASHER 5mm
11 BG200WL.11 SCREW (M5x8)
12 BG200WL.12 LEFT EYESHIELD MOUNT ROD
13 BG200WL.13 BRACKET
14 BG200WL.14 FLAT WASHER 6mm
15 BG200WL.15 HEX BOLT M6x14
16 BG200WL.16 HEX NUT M6
17 BG200WL.17 FLAT WASHER 6mm
18 BG200WL.18 EYESHIELD PLATE
19 BG200WL.19 DOME SCREW M6x16
20 BG200WL.20 SCREW (M5x155)
21 BG200WL.21 WHEEL DRESSING TOOL
22 BG200WL.22 END CAP
23 BG200WL.23 MOTOR HOUSING
24 BG200WL.24 WAVY WASHER 39mm
25 BG200WL.25 BALL BEARING (180203)
26 BG200WL.26 STATOR
27 BG200WL.27 CAPACITOR 10uF/450V
28 BG200WL.28 ROTOR
29 BG200WL.29 LAMP WITH PROTECTIVE GUARD
30 BG200WL.30 NUT M5
31 BG200WL.31 WORK REST LOCK KNOB
32 BG200WL.32 HEX NUT M4
33 BG200WL.33 SPRING WASHER 4mm
34 BG200WL.34 FLAT WASHER 4mm
35 BG200WL.35 EYESHIELD
36 BG200WL.36 NUT M16
ITEM PART NO DESCRIPTION
38 BG200WL.38 SCREW (M4x10)
39 BG200WL.39 TOOTHED LOCKING WASHER 4mm
40 BG200WL.40 SCREW (M4x8)
41 BG200WL.41 CORD BUSHING
42 BG200WL.42 RIGHT GUARD INNER COVER
43 BG200WL.43 HEX NUT M8
44 BG200WL.44 CAPACITOR STAND
45 BG200WL.45 BASE PLATE
46 BG200WL.46 STRAIN RELIEF
47 BG200WL.47 CORD & PLUG
48 BG200WL.48 LAMP ASSEMBLY
49 BG200WL.49 SPRING WASHER 10mm
50 BG200WL.50 LOCK NUT M10
51 BG200WL.51 SWITCH PLATE
52 BG200WL.52 SWITCH
53 BG200WL.53 SCREW (M5x45)
54 BG200WL.54 BIG FLAT WASHER 5mm
55 BG200WL.55 RUBBER FOOT
56 BG200WL.56 TOOL TRAY
57 BG200WL.57 BASE
58 BG200WL.58 RIGHT MOVABLE WORK REST
59 BG200WL.59 RIGHT EYESHIELD MOUNT ROD
60 BG200WL.60 LEFT WORK REST
61 BG200WL.61 HEX NUT M4
62 BG200WL.62 BULB
63 BG200WL.63 SCREW (M4x8)
64 BG200WL.64 FLAT WASHER 4mm
65 BG200WL.65 SPRING WASHER 4mm
66 BG200WL.66 DRESSING TOOL BASE
67 BG200WL.67 FLAT WASHER 6mm
68 BG200WL.68 RIGHT GUARD COVER
69 BG200WL.69 RIGHT SPARK DEFLECTOR
70 BG200WL.70 LOCK NUT M5
5&37 BG200/15 GRINDING STONE 200 x 25mm 16mm BORE A60P
BG200/16 GRINDING STONE 200 x 25mm 16mm BORE A36Q
PARTS FOR:
BENCH GRINDER 200mm WITH
WORK LIGHT 550W/230V
MODEL:
BG200WL
Issue: 1
Issue Date: 301112

Related product manuals