EasyManua.ls Logo

Sears EZ3 - Page 44

Sears EZ3
52 pages
Print Icon
To Next Page IconTo Next Page
To Next Page IconTo Next Page
To Previous Page IconTo Previous Page
To Previous Page IconTo Previous Page
Loading...
44
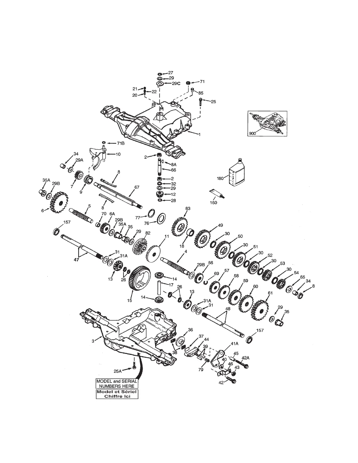
REPAIR PARTS
TRACTOR - - MODEL NUMBER 944.600051
PEERLESS TRANSAXLE - MODEL NUMBER 206-545C

Related product manuals