EasyManua.ls Logo

Selectronic SP PRO Series - Page 36

Selectronic SP PRO Series
126 pages
Print Icon
To Next Page IconTo Next Page
To Next Page IconTo Next Page
To Previous Page IconTo Previous Page
To Previous Page IconTo Previous Page
Loading...
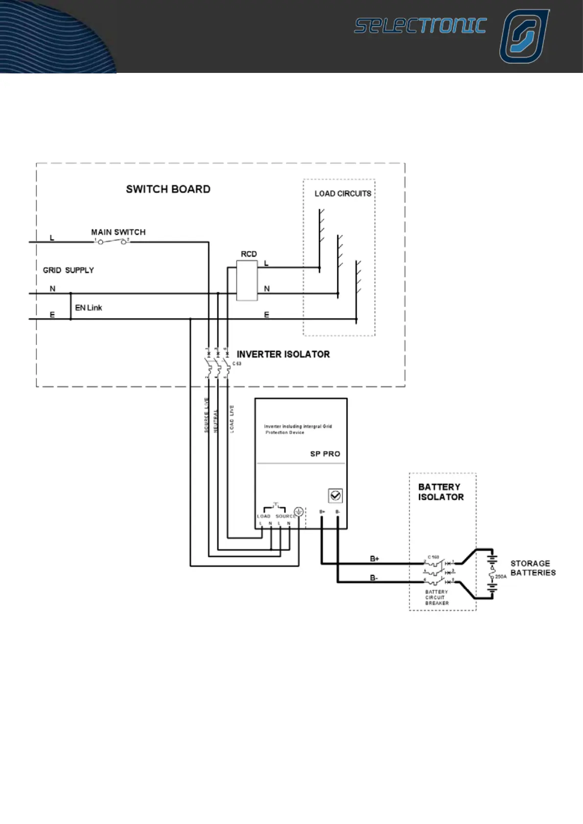
INSTALLATION | Installing for PRO Performance












Table of Contents

Other manuals for Selectronic SP PRO Series

Related product manuals