EasyManua.ls Logo

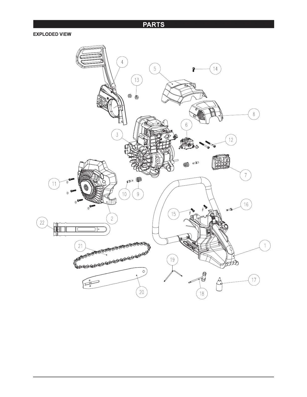
Senix CS4QL-L3 - Parts Identification; Exploded View Diagram

Senix CS4QL-L3
88 pages
Print Icon
To Next Page IconTo Next Page
To Next Page IconTo Next Page
To Previous Page IconTo Previous Page
To Previous Page IconTo Previous Page
Loading...
27WWW.SENIXTOOLS.COM

Related product manuals