EasyManua.ls Logo

Sharp 13VT-L200 - VCR Section Block Diagrams; Overall VCR Block Diagram

Sharp 13VT-L200
106 pages
Print Icon
To Next Page IconTo Next Page
To Next Page IconTo Next Page
To Previous Page IconTo Previous Page
To Previous Page IconTo Previous Page
Loading...
60
13VT-L200
87109654321
A
B
C
D
E
F
G
H
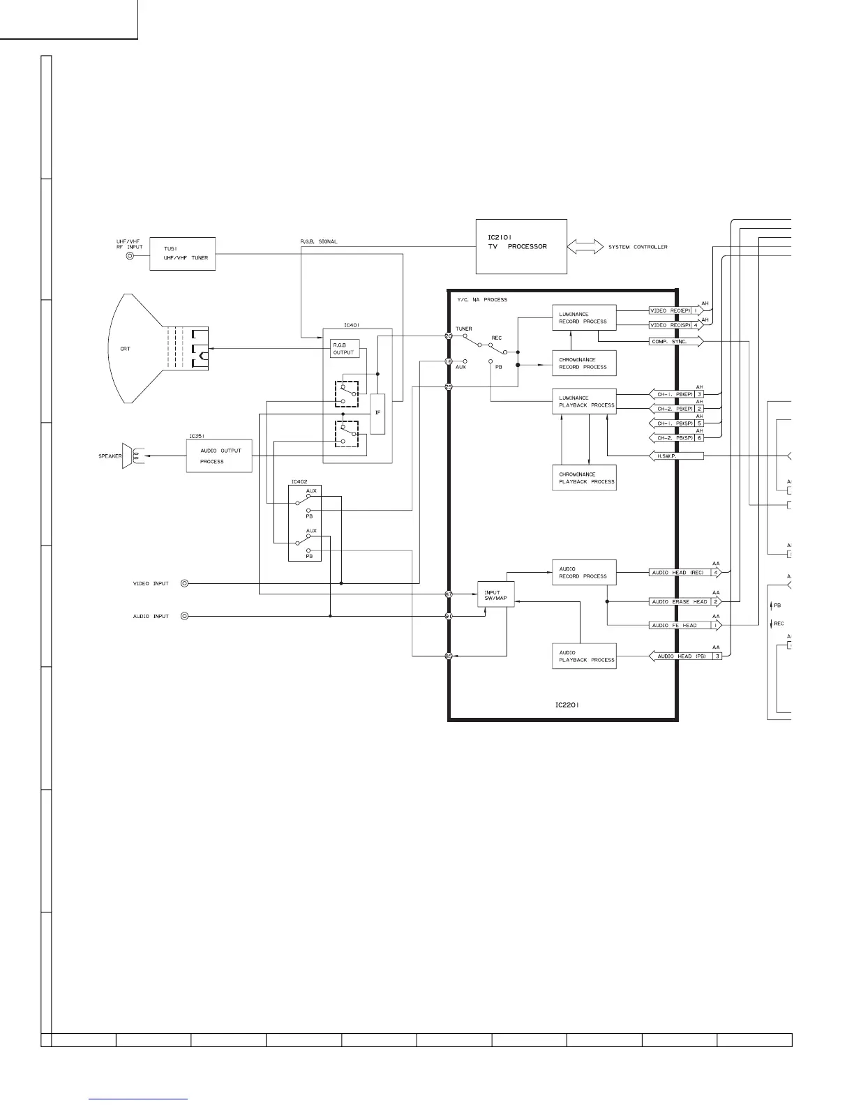
BLOCK DIAGRAM OF VCR SECTION
Ë OVERALL BLOCK DIAGRAM

Related product manuals