EasyManua.ls Logo

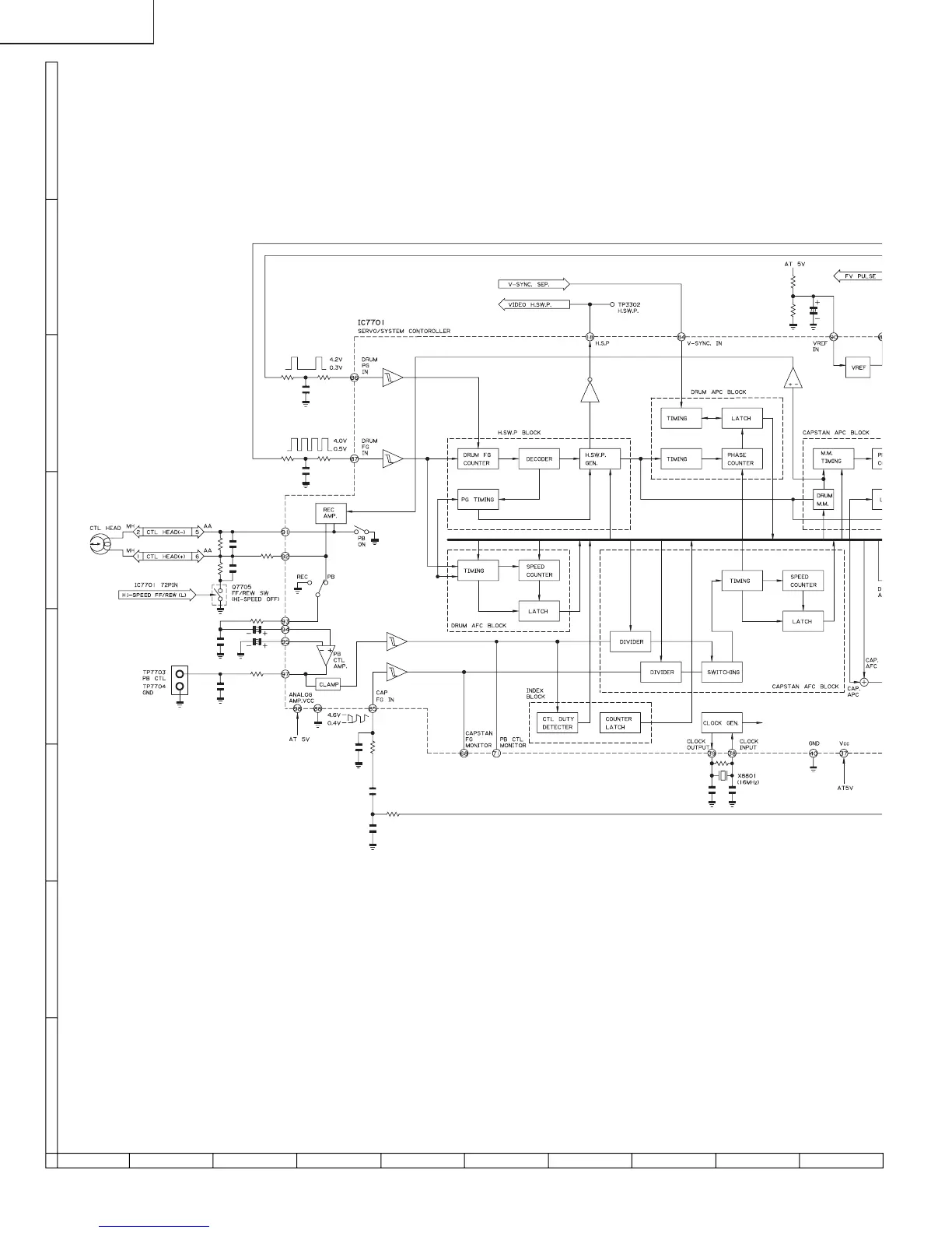
Sharp 13VT-L200 - VCR Servo Process Block Diagram

Sharp 13VT-L200
106 pages
Print Icon
To Next Page IconTo Next Page
To Next Page IconTo Next Page
To Previous Page IconTo Previous Page
To Previous Page IconTo Previous Page
Loading...
62
13VT-L200
87109654321
A
B
C
D
E
F
G
H
BLOCK DIAGRAM OF VCR SECTION
Ë SERVO PROCESS BLOCK DIAGRAM

Related product manuals